EasyManua.ls Logo

RBI FlexCore CK 6000 - Page 83

RBI FlexCore CK 6000
136 pages
Print Icon
To Next Page IconTo Next Page
To Next Page IconTo Next Page
To Previous Page IconTo Previous Page
To Previous Page IconTo Previous Page
Loading...
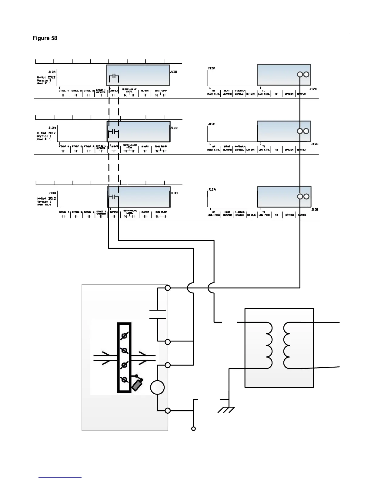
WIRING CONNECTIONS HeatNet Control V3
Page 83
Common system damper wiring
DAMPER
24 VAC Ret
DAMPER 24 VAC
Transformer
DAMPER
Prove Switch
DAMPER
Enable
24 VAC
Mains
MASTER BOILER
MEMBER BOILER 1
Connection if Member
boiler is running as
Failsafe
MEMBER BOILER 2
Connect to 24 VAC Return
on each Boiler
NOTE: Ensure that the Combustion Air
Damper is enabled on all Boilers for use.
SETUP MENU:AUX FUNCTIONS

Table of Contents

Related product manuals