EasyManua.ls Logo

RCA 50LB45RQ - Product Specification; General Specifications; Connection Interface and Resolution; Dimensions and Weight

RCA 50LB45RQ
50 pages
Print Icon
To Next Page IconTo Next Page
To Next Page IconTo Next Page
To Previous Page IconTo Previous Page
To Previous Page IconTo Previous Page
Loading...
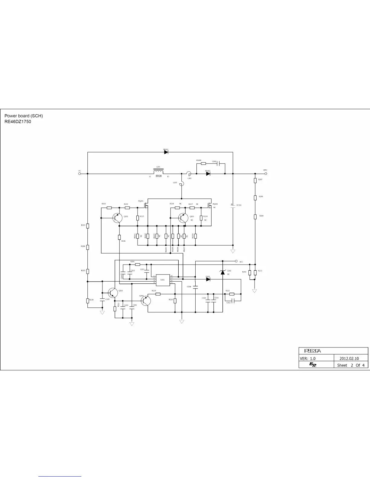
Power board (SCH)
RE46DZ1750
v+
O q
80201
I,,I
R216
RS208 C202
11 ER28 13 i _
L202
L203
\
; 1
....
] _ _
P
R210
....t / 1
_c2oJ_
TT T_8 l
2o3]_'-_ -_____i' ....'i - c2o8-[-T
!
i 0 vcc
_i.....N_ _2o_{
D202
. . R221
TT
VPFC
©
R207
VER: 1.0 2012.02.10
Sheet 2 Of 4

Other manuals for RCA 50LB45RQ

Related product manuals