EasyManua.ls Logo

RCF E12 - Page 27

RCF E12
28 pages
Print Icon
To Next Page IconTo Next Page
To Next Page IconTo Next Page
To Previous Page IconTo Previous Page
To Previous Page IconTo Previous Page
Loading...
27
3
1 2
MIC
LINE
+48V
HPF
Q
LEVEL
MUTE
FREQ
COMP
GAIN
GAIN
SIG
CLIP
BUS 1-2
MAIN
PAN
PFL
BUS 1
BUS 2
LEFT
RIGHT
INSERT
Ch 5, 6 only
Ch 1-4 only
LINE R
GAIN
GAIN
LINE L
CHANNELS 1 - 6
STEREO LINE INPUTS 7/8 - 11/12
AUX 1
AUX 2
AUX 3
AUX 4
AUX 1
AUX 2
AUX 3
AUX 4
PFL-
PFL
LEVEL
MUTE
SIG
CLIP
BAL
BUS 1-2
MAIN
AUX 1
AUX 2
AUX 3
AUX 4
PFL
PFL
BUS 1
BUS 2
LEFT
RIGHT
AUX 1
AUX 2
AUX 3
AUX 4
PFL-
RIGHT
LEFT
STEREO RET URN
LEVEL
LEFT
RIGHT
2 TRACK / USB AUDIO INPUT
USB IN
DAC
EFFECT RETURN
LEVEL
MUTE
SIG
CLIP
AUX 1
AUX 2
AUX 3
PFL
Ch 1-6
DAC
RCF EFFECTS
MODULE
USB PLAY
LEVEL
AUX 4 OUT
ADC
USB TO CH 11
USB TO CH 12
USB TO CH 11
USB TO CH 12
Ch 11, 12 only
MAIN OUT PUT S
LEVEL
MUTE
LEFT
AUX OUTPUTS 1 - 4
MUTE
AUX
LEVEL
Aux 3, 4
Aux 1, 2
BUS OUTPUTS 1/2
LEVEL
MUTE
BUS L
BUS R
PFL
MAIN
PFL
AUX PRE/POST
Aux 3 only
SIG
CLIP
3
1 2
3
1 2
3
1 2
MONO
RIGHT
MONO TRIM
3
1 2
AUX
PFL
CUE ACTIVE
LEFT RIGHT
CTRL RM LEFT
CTRL RM RIGHT
HEADPHONES
CTRL RM LEVEL
HEADPHONE LEVEL
RIGHT
LEFT
BUS 1 TO USB
BUS 2 TO USB
BUS 1/2 only
ADC
FOOTSWITCH
HI-Z
Ch 3, 4 only
AUX 3-
AUX 3-
BUS 1 TO USB
BUS 2 TO USB
USB RECORD
LEFT TO USB
RIGHT TO USB
LEFT TO USB
RIGHT TO USB
AUX 4 OUT
Aux 4 only
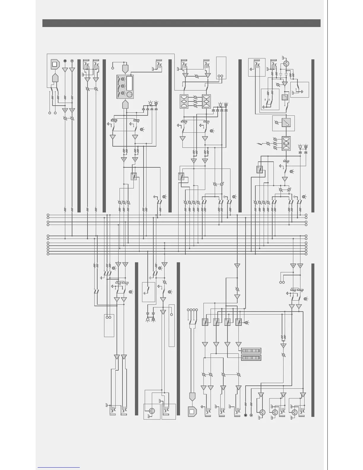
E12 BLOCK DIAGRAM / SCHEMA A BLOCCHI

Related product manuals