EasyManua.ls Logo

Ready Remote 24927 - Page 18

Default Icon
79 pages
Print Icon
To Next Page IconTo Next Page
To Next Page IconTo Next Page
To Previous Page IconTo Previous Page
To Previous Page IconTo Previous Page
Loading...
15
© 2006 Directed Electronics
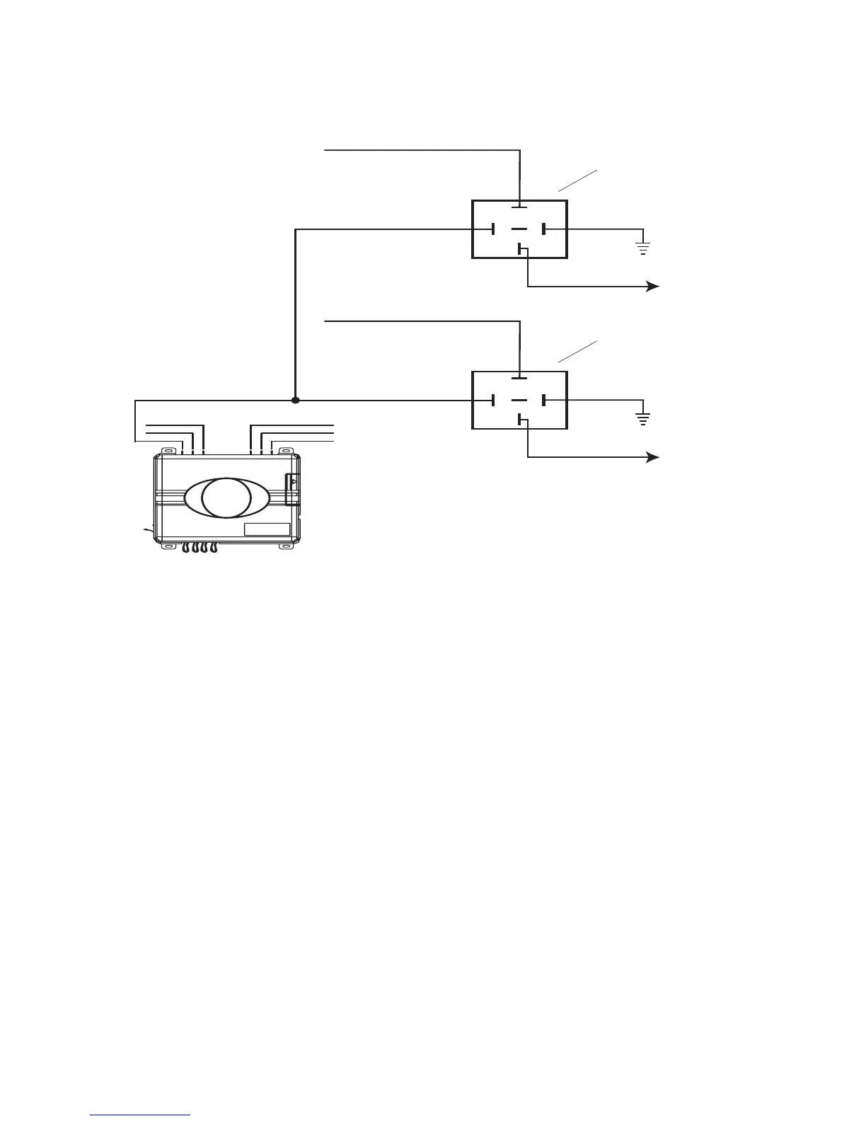
If your vehicle requires more than two ignitions, an additional
relay (not provided) is required. Refer to the diagram below.
87
87A
86
85
30
+12 VDC CONSTANT (FUSED 20A)
GROUND
GREEN (+) OUTPUT
TO 2
nd
IGNITION
TO 2
nd
IGNITION
TO 3
rd
IGNITION
3
rd
IGNITION RELAY
(NOT PROVIDED)
87
87A
86
85
30
+12 VDC CONSTANT (FUSED 20A)
GROUND
TO 2
nd
IGNITION
2
nd
IGNITION RELAY
(NOT PROVIDED)

Related product manuals