EasyManua.ls Logo

Realistic Pro-30 - Specifications; General Specifications

Realistic Pro-30
20 pages
Print Icon
To Next Page IconTo Next Page
To Next Page IconTo Next Page
To Previous Page IconTo Previous Page
To Previous Page IconTo Previous Page
Loading...
RECEIVING
SYSTEM:
FREOUENCY
COVERAGE:
CHANNELS
OF
OPERATION:
SENSITIVITY
AM:
20 dB
Signat-to-Noise
ratio
at 600/o
modulation:
FM:
20 dB
Signal-to-Noise
ratio
at
3
kHz
l)eviation:
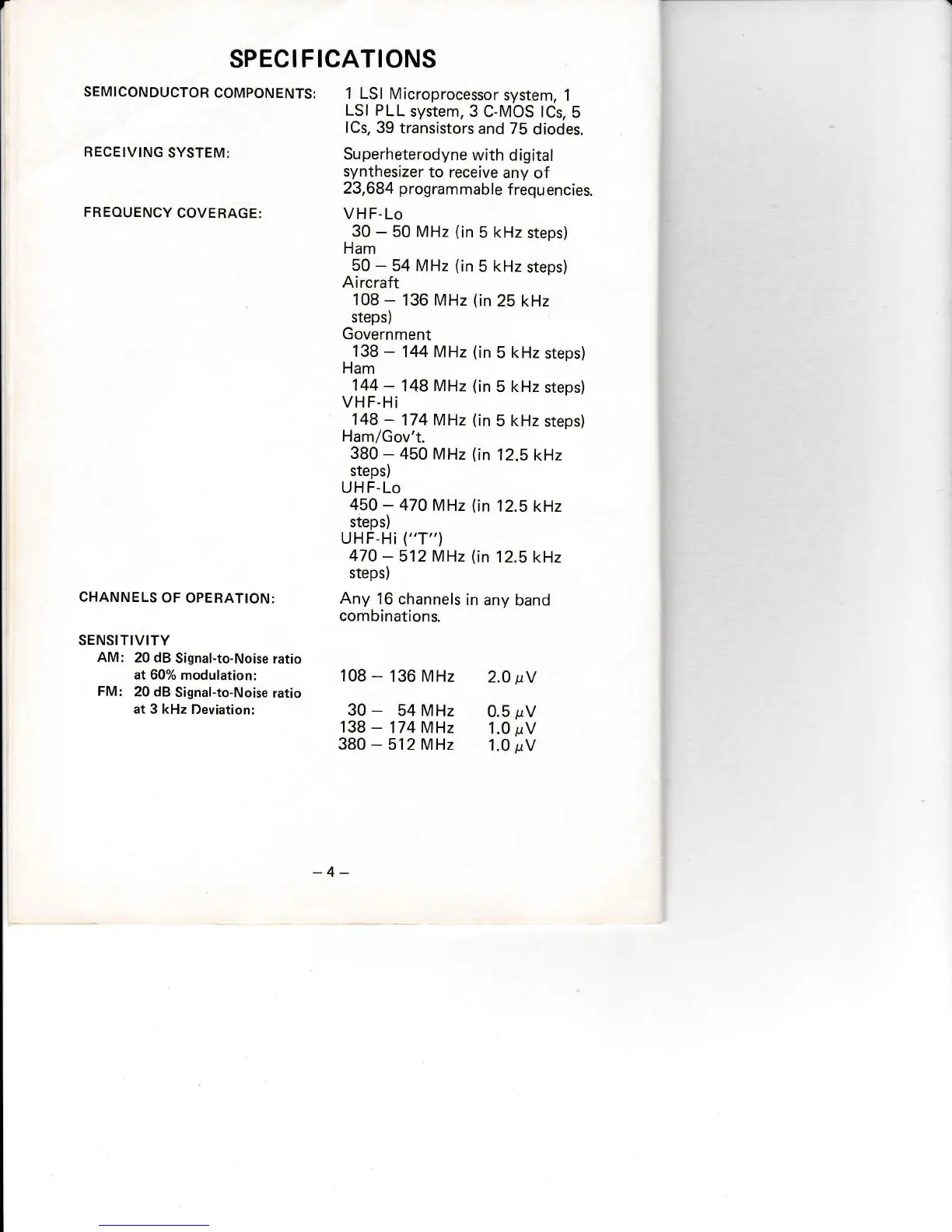
SPECIF!CATIONS
SEMICONDUCTOR
COMPONENTS:
1 LSI
Microprocessor
system,
1
LSI PLL
system,
3 C-MOS
lCs,
5
lCs,
39
transistors
and 75
diodes.
Su
perheterodyne
with d igital
synthesizer
to
receive
any
of
23,684
programmable
frequ
encies.
VHF-Lo
30
-
50
MHz
(in
5
kHz
steps)
Ham
50
-
54 MHz
(in
5 kHz
steps)
Aircraft
108
-
136 MHz
(in
25 kHz
steps)
Government
138
-
144 MHz
(in
5 kHz
steps)
Ham
144
-
148 MHz
(in
5 kHz
steps)
VHF.Hi
148
-
174 MHz
(in
5 kHz
steps)
Ham/Gov't.
380
-
450
MHz
(in
12.5
kHz
steps)
UH F-Lo
450
-
47O
MHz
(in
12.5
kHz
steps)
UHF-Hi
("T")
470
-
512
MHz
(in
12.5
kHz
steps)
Any
16 channels
in
any band
combinations.
108
-
136 MHz
2.0
pV
30
-
54 MHz
0.5
rrV
138
-
174MHz
1.0
rrV
380
-
512MHz
1.0
pV
-4-

Related product manuals