EasyManua.ls Logo

Realistic STA-7 - Schematic Diagram

Realistic STA-7
46 pages
Print Icon
To Next Page IconTo Next Page
To Next Page IconTo Next Page
To Previous Page IconTo Previous Page
To Previous Page IconTo Previous Page
Loading...
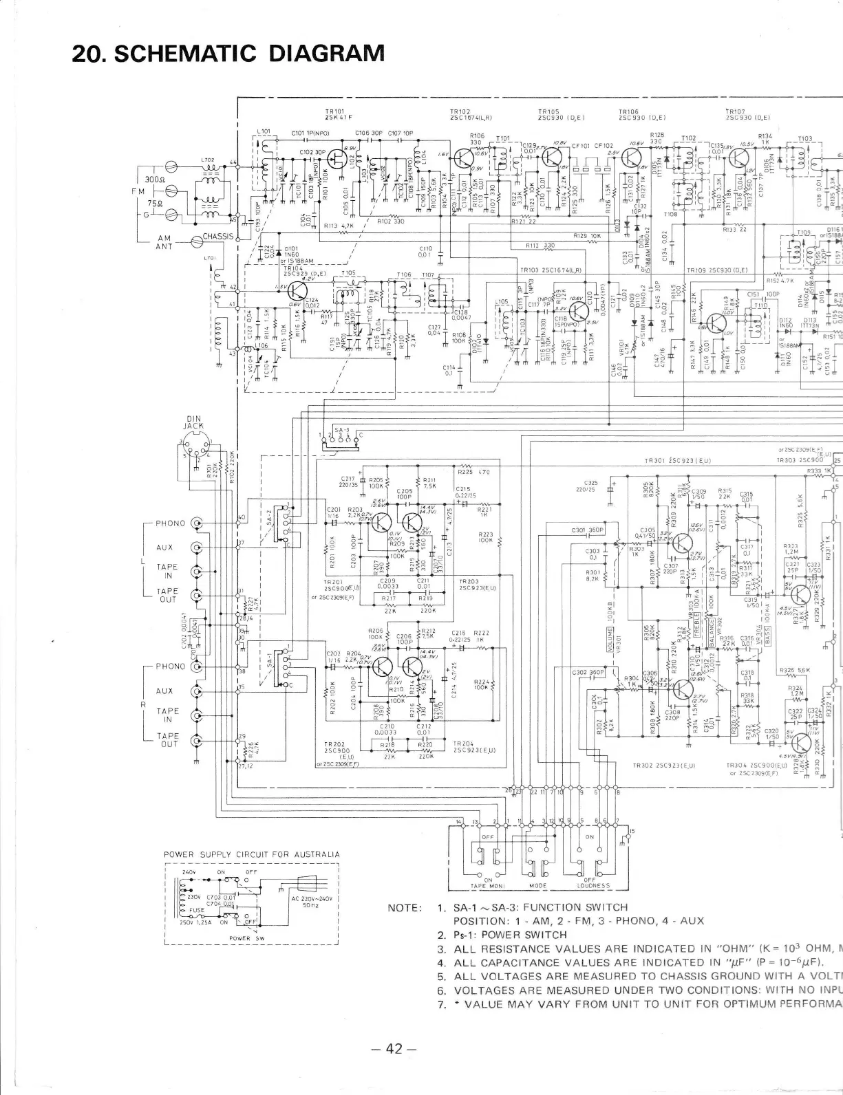
20.
SCHEMATIC
DIAGRAM
TR101
2SK
11 F
c101
]P(NPO) C106 30P
C107 10P
tn
[aIE
/i
lglJ
TR1O2
2S
C
1 671(r-R)
rR105
2scs30
(
qE
l
TRl06
2SC930 lD,El
R128
Q.6v
330
lR1o7
2SC930
{D,E)
DIN
,]ACK
,R',\"
t;d
Rr5l
a
s
3.1
-;'F
,2S23G(€
Fl
rRJor isc92l
(E.u) rR 303 25C900
1R304
ZSC900(E.U)
or 2S 2309(E.F)
.l
I
L-
J
Ldl
h
L_!l
h_
l--*"r.f;.",
roo.
,oorto'".*
NOTE: 1. SA-1
-SA-3:
FUNCTION
SWITCH
POSITION:
1
-
AM, 2
-
FM,3
-
PHONO,4
-
AUX
2.
Ps-1:
POWER
SWITCH
3.
ALL
BESISTANCE
VALUES
ABE INDICATED
IN
"OHM"
(K=
103
OHM,
t\
4.
ALL
CAPACITANCE
VALUES ARE
INDICATED
lN "lrF"
(P
=
10-6pF).
5.
ALL VOLTAGES
ARE MEASURED TO
CHASSIS
GBOUND
WITH A VOLTI
6.
VOLTAGES ARE MEASURED UNDER
TWO
CONDITIONS:
WIIH NO INPL
7,
*
VALUE MAY VARY
FROM
UNIT TO UNIT
FOR
OPTIMUM
PERFORMA
-42-
R323
t.2
M
I.r2l
I
zsP
f
PHoNo
I
aux
|
,ot.
IN
|
,oo.
-
OUT
r PHONO
I
AUX
Lort
I rru
I
,or.
-
OUT
r
r08
-t
iT
I Cl2? I
-
+-
o.o4
T
Rros
N>-
I looh
al-
n
"3I
=Tat
a
9l'
35 I
,1s
f-^
"13
It3
=
5A-l
34
oo
i?'"'
?ili
g,;i
TF2O3
2SC923(EU)
c2l6 R222
0.22125 tK
rR 202 I I aTth I RrTo I
rR
ZO4
?5(900
t-g^/-!--4J
25C923(LU)
iGut
-
.
)
:
{
i=
c2r0 c212
o.oo33 0 ol

Related product manuals