EasyManua.ls Logo

Realistic STA-78 - Schematic Diagram

Realistic STA-78
40 pages
Print Icon
To Next Page IconTo Next Page
To Next Page IconTo Next Page
To Previous Page IconTo Previous Page
To Previous Page IconTo Previous Page
Loading...
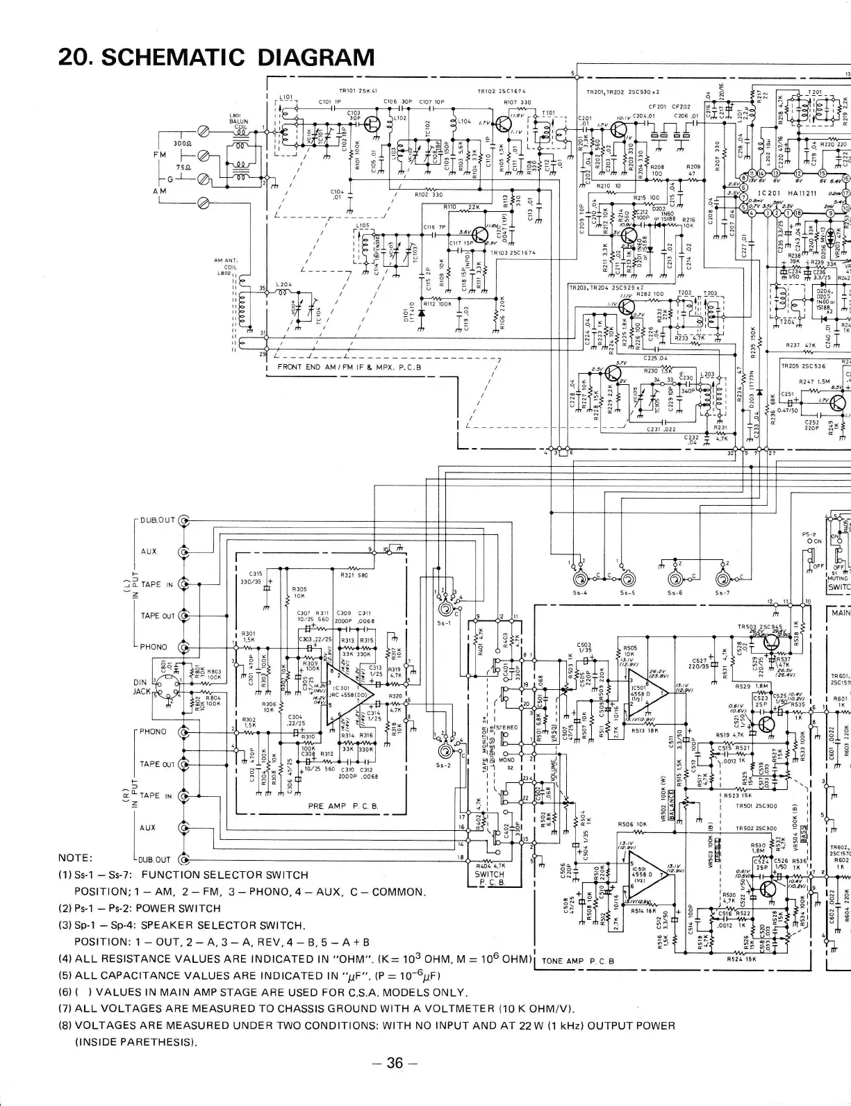
20.
SCHEMATIC DIAGRAM
r
lt
TRIOl 2Sx41
c10t
1P
Cl06
30P
c107 toP
1F102 2SCt674
Rto7
330
TR20l,TR202
25C930
t2
I r ior
lt)
ti
L
-
--J_
___L_ _ _ _ _ _
_ _ _ _ _7
cF201
CFZO2
tva2o4.o1
c&6
.or
1n
TT
qJ-
.T
cotL
tt
rl
lt
rl
rl
ll
EI
5T
:l
Ts'
h.
I
DUB.our
I
I
ou'
aI
ror. ,*
z
|
,0,. o,,
L,,o*n
NOTE:
PHONO
TAPE
oUI
TAPE
IN
AUX
DUB.OIJT
r
R523
15(
I
I
TR50l
I
I
r TR502
25C900
(1)
Ss-1
-
Ss-7:
FUNCTION
SELECTOR
SWITCH
POSITION;
1
-AM,
2-
FM,
3-PHONO,4-AUx, C-COMMON.
(2)
Ps-1
-
Ps-2:
POWER
SWITCH
(3)
Sp-l
-
Sp-4:
SPEAKER SELECTOR
SWITCH.
POSITION:
1
-OUT,
2-
A,3-A, REV.
4
-8,5-A+
B
(4)
ALL RESISTANCE
VALUES
ARE INDICATED IN
,,OHM,,.
(K_
103
OHM, M
_
106 OHM)i
ToNE AMP P,
c,
B
(5)
ALL
CAPACITANCE VALUES ARE
INDICATED lN
"pF".
(P
-
1O-6pF)
(6) (
}
VALUES
IN MAIN AMP
STAGE ARE
USED
FOR
C,S,A.
MODELS ONLY.
(7}
ALL
VOLTAGES ARE MEASURED TO
CHASSIS
GROUND WITH A VOLTMETER
(10
K
OHM/V}
(8)
VOLTAGES
ARE MEASURED
UNDER
TWO
CONDITIONS:
WITH NO INPUT
AND
AT
22W
11
kHz) OUTPUT
POWER
(INSIDE
PARETHESIS).
-36-
*9
;"i
;q
TF5O2"
2$15il
n60?
txl;
EIE
I
C
20' HAil
2ll
IRrcJ.T8204
2SC929,2
ufl
ez\z.loo
;?92_.,1293__
F32t
6A0
c309
c3[
2000P.0068
,,
"
R529
"B
B,s
R505 J0h
htlsEl-l#;I'J'J
I I
f Sf-T- i
:
l+10./25
560
calo cal2
I
--
'
|
,llulBf
2oooP
oo58
I
L_
r*.orrr.r__l
5a
:H
1"""
EEi W!,
I
FRONT
END AM,ry_
_
./
l,i
It
ti
I

Related product manuals