EasyManua.ls Logo

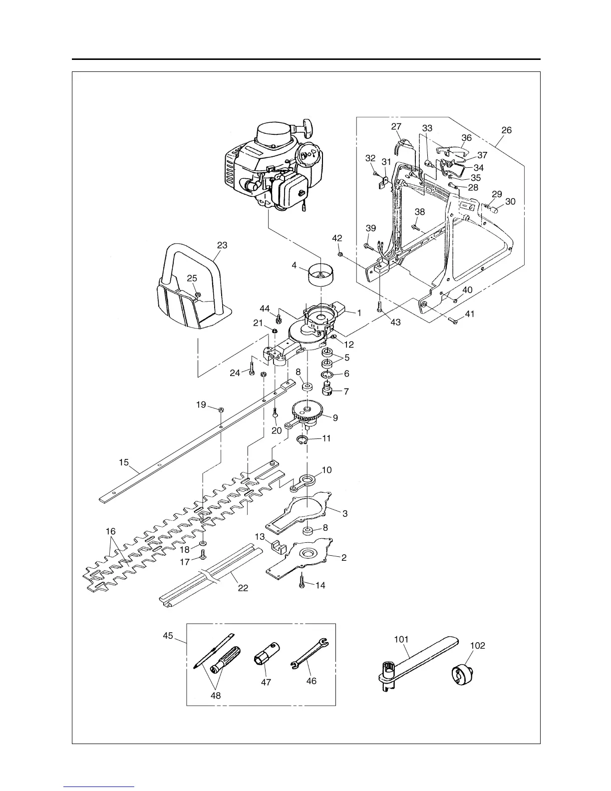
RedMax CHT2200 - Fig.3 Cutter Group - CHT2200

RedMax CHT2200
32 pages
Print Icon
To Next Page IconTo Next Page
To Next Page IconTo Next Page
To Previous Page IconTo Previous Page
To Previous Page IconTo Previous Page
Loading...
Fig.3 CUTTER GROUP — CHT2200
26
Parts List

Related product manuals