EasyManua.ls Logo

Redtiger T27 - Parking Mode Installation and Settings; Hardwire Kit Installation Procedure

Default Icon
38 pages
Print Icon
To Next Page IconTo Next Page
To Next Page IconTo Next Page
To Previous Page IconTo Previous Page
To Previous Page IconTo Previous Page
Loading...
25
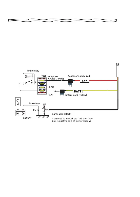
Parking Mode ( Optional )
INSTALL YOU HARDWIRE KIT
Red wire
Yellow wire
Black wire
>> ACC
>> B+
>> Ground
>>> power only when car key is on
>>> Always has power
>>> Any grounded (neg) screw
32383<RXFRXOGXVXDOO\ŵQG\RXUIXVHER[XQGHUWKHWUXQNRU
steering device.
You could cut the head of wires and connect it to your fuse directly if
your fuses is small.

Related product manuals