EasyManua.ls Logo

Reebok Acd1 - Page 30

Reebok Acd1
30 pages
Print Icon
To Previous Page IconTo Previous Page
To Previous Page IconTo Previous Page
Loading...
58
39
99
98
90
89
53
95
96
96
99
98
99
92
10
94
90
88
89
96
61
64
82
74
75
78
96
79
23
96
76
96
72
113
64
70
71
94
46
43
41
45
44
43
113
41
41
41
54
54
28
67
10
64
65
68
69
66
67
10
64
63
118
62
41
41
118
56
83
85
86
64
42
42
92
10
92
10
92
10
102
101
103
106
108
76
107
75
105
109
110
113
102
93
4
113
113
48
2
64
64
111
99
59
50
51
53
17
16*
18
19
40
49
20
52
112
77
55
55
116
115
114
101
58
84
129
128
126
10
64
125
127
10
47
104
104
47
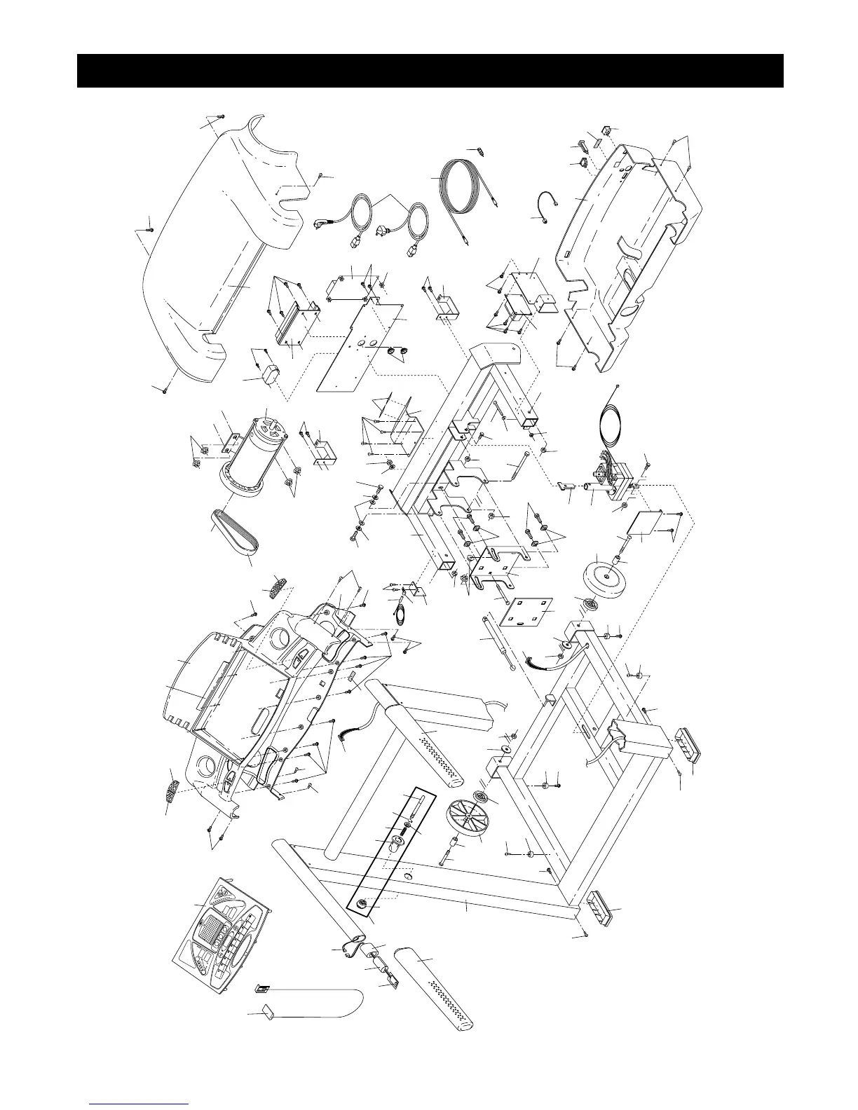
EXPLODED DRAWING—MODEL NO. RETL11900 R0800A

Other manuals for Reebok Acd1

Related product manuals