EasyManua.ls Logo

Regal-Beloit GE ECM X13 - Page 89

Default Icon
93 pages
Print Icon
To Next Page IconTo Next Page
To Next Page IconTo Next Page
To Previous Page IconTo Previous Page
To Previous Page IconTo Previous Page
Loading...
© 2006 GE ECM by Regal-Beloit
- 87 -
Indoor Blower Motors
v0.2
-
If
there is no low (control) voltage present at the motor
-
Then
the voltage loss must be tracked down back towards the manufacturers
wiring and controls. Remember to confirm that there is a proper demand from
the thermostat.
o The allowable voltage variance can be as much as ± 10% of the nominal
24vac.
o If this voltage is present but below this range, confirm that this voltage is
present at the unit transformer, and the at the thermostat low voltage
connections on the unit control board.
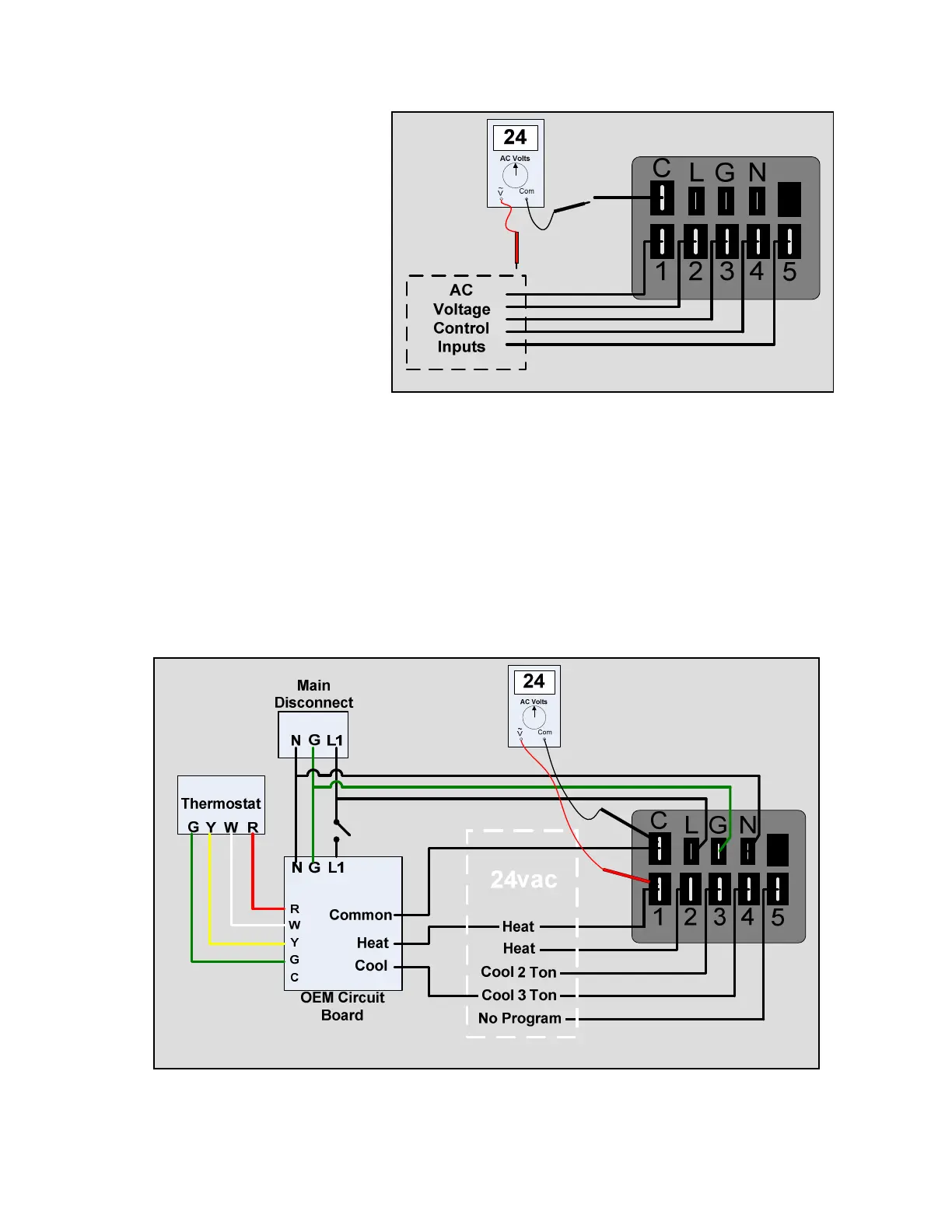
2.
24vac low
(control) voltage
at the appropriate
tap, with the
appropriate
thermostat
demand call. Make
sure voltage is
present between
terminals 1-5 and
the (C) terminal as
shown.

Related product manuals