EasyManua.ls Logo

Regency C34-LP2 - Wiring Diagram

Regency C34-LP2
36 pages
Print Icon
To Next Page IconTo Next Page
To Next Page IconTo Next Page
To Previous Page IconTo Previous Page
To Previous Page IconTo Previous Page
Loading...
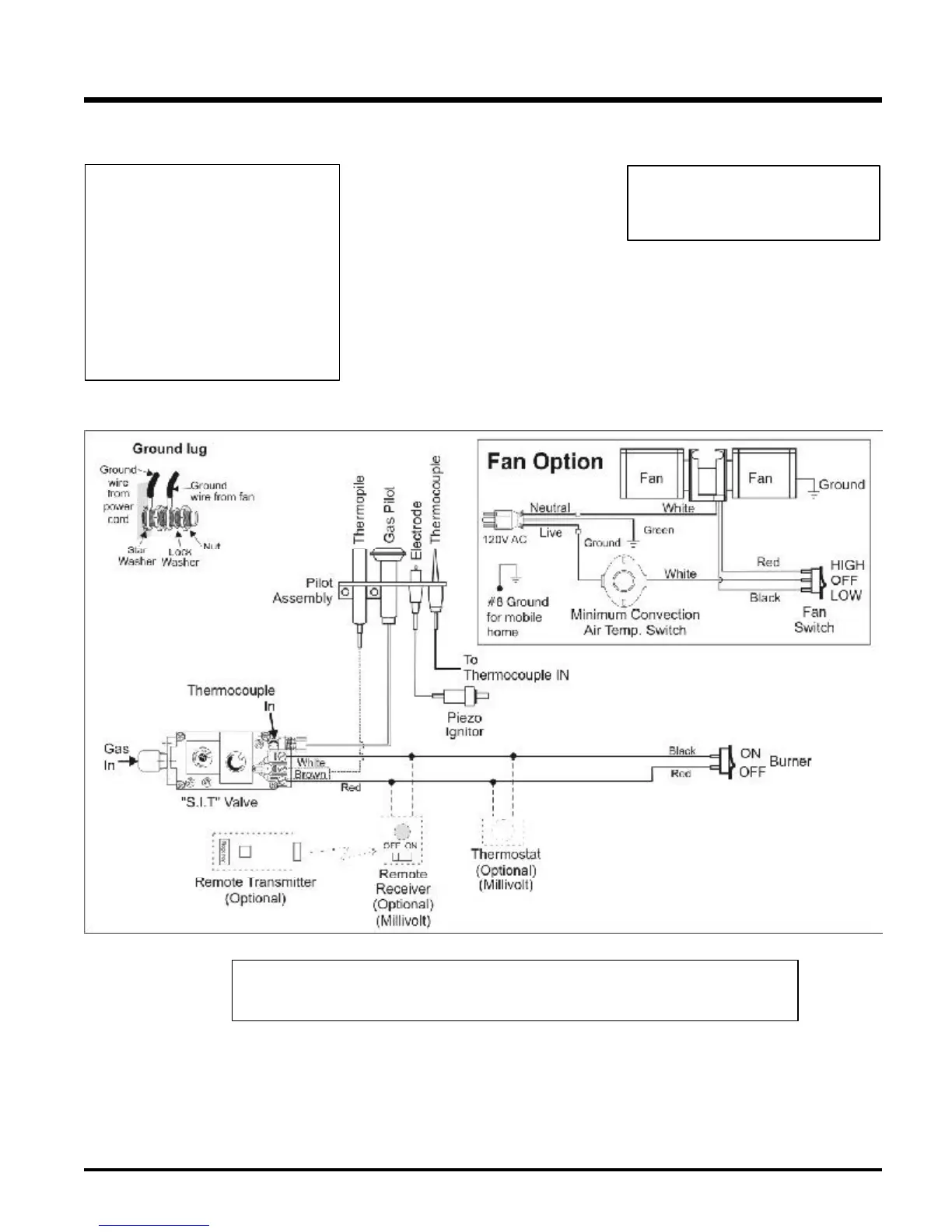
Regency CLASSIC C34-2 Direct Vent Freestanding Gas Heater 27
WIRING DIAGRAM
INSTALLATION
This heater does not require a 120V A.C. supply
for operation. In case of a power failure, the
burner switch and the optional remote control/
thermostat will continue to operate.
However, a 120V A.C. power supply is needed
for the fan/blower operation.
CAUTION: Label all wires prior to disconnection when servicing controls.
Wiring errors can cause improper and dangerous operation.
CAUTION: Ensure that the wires
do not touch a hot surface and
are away from sharp edges.
WARNING:
Electrical Grounding
Instructions
This appliance is equipped with
a three pronged (grounding)
plug for your protection against
shock hazard and should be
plugged directly into a properly
grounded three-prong recepta-
cle. Do not cut or remove the
grounding prong from this plug.

Table of Contents

Related product manuals