EasyManua.ls Logo

Regency F33 - Wiring; Draft Hood; Flueing

Regency F33
28 pages
Print Icon
To Next Page IconTo Next Page
To Next Page IconTo Next Page
To Previous Page IconTo Previous Page
To Previous Page IconTo Previous Page
Loading...
8 Regency
®
F33-3 Freestanding Gas Stove
DRAFT HOOD
The heater has a draft hood built into its back. It must not be altered
or obstructed, and the unit must be installed so that the draft hood is
in the same atmospheric pressure zone as the combustion air inlet
to the burner.
FLUEING
This heater is a vented appliance and must be connected to a chim-
ney/fl ue in accordance with installation codes.
For your safety this heater is equipped with a fl ue safety switch. This
thermally actuated switch is located within the draft hood and will detect
INSTALLATION
either a blocked chimney or backdraft condition where the chimney
ow has reversed and will react by shutting off the gas supply.
Note: The spill switch is manually resettable and comes from
the factory in the open position. Before trying to start
up the unit, make sure the red button on the spill switch
is pushed in.
FLUEING REQUIREMENTS
100mm diameter fl ue is required in accordance with AS5601-2004,
NZS 5261 or any relevant local building codes. For altitudes above
610m. we recommend that a minimum fl ue height of 3.6m is used.
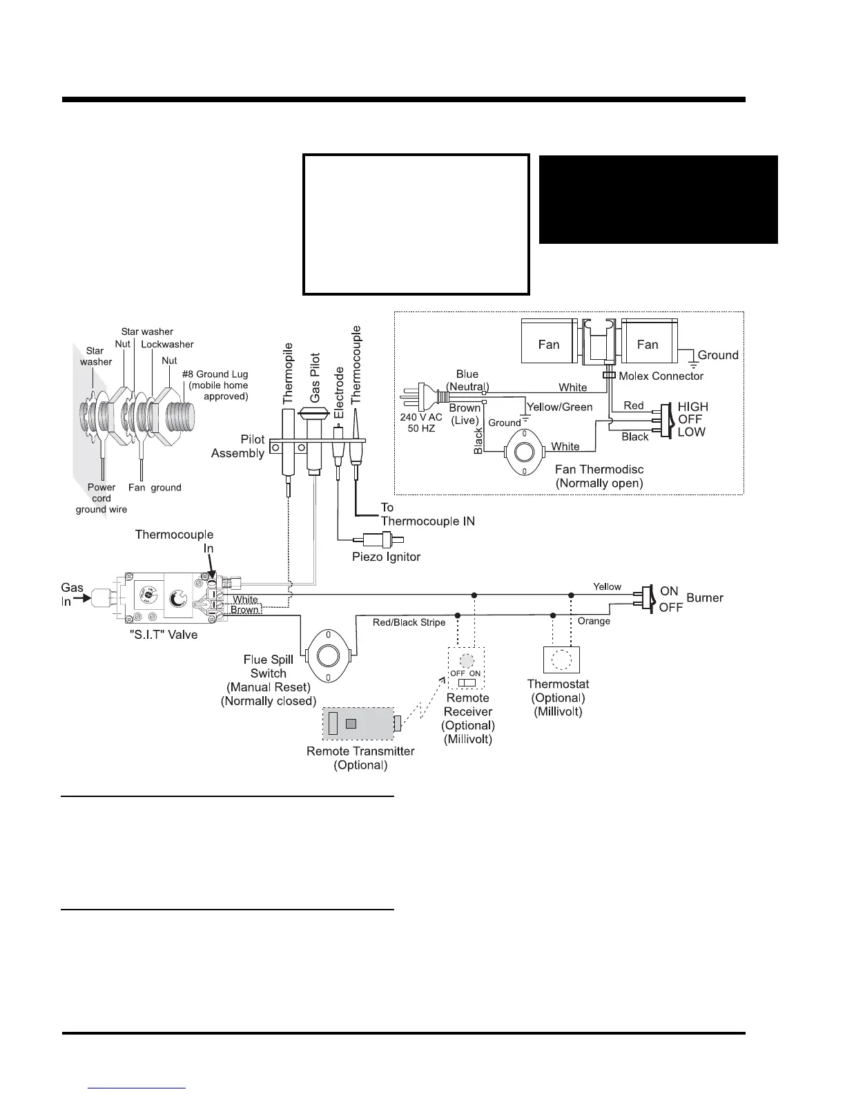
WIRING
CAUTION:
Label all wires prior to disconnection
when servicing controls.
Wiring errors can cause improper and
dangerous operation.
WARNING: Electrical Grounding
Instructions
This appliance is equipped with a three
pronged (grounding) plug for your
protection against shock hazard and
should be plugged directly into a prop-
erly grounded three-prong receptacle.
Do not cut or remove the grounding
prong from this plug.
No electrical power supply is required for the
gas control to operate. However, a 240V A.C.
power supply is needed for the fan/blower
operation.
Caution: Ensure that the wires do not
touch any hot surfaces and are away
from sharp edges.

Related product manuals