EasyManua.ls Logo

Reliant Kitten Saloon - Page 115

Default Icon
138 pages
Print Icon
To Next Page IconTo Next Page
To Next Page IconTo Next Page
To Previous Page IconTo Previous Page
To Previous Page IconTo Previous Page
Loading...
Page
115
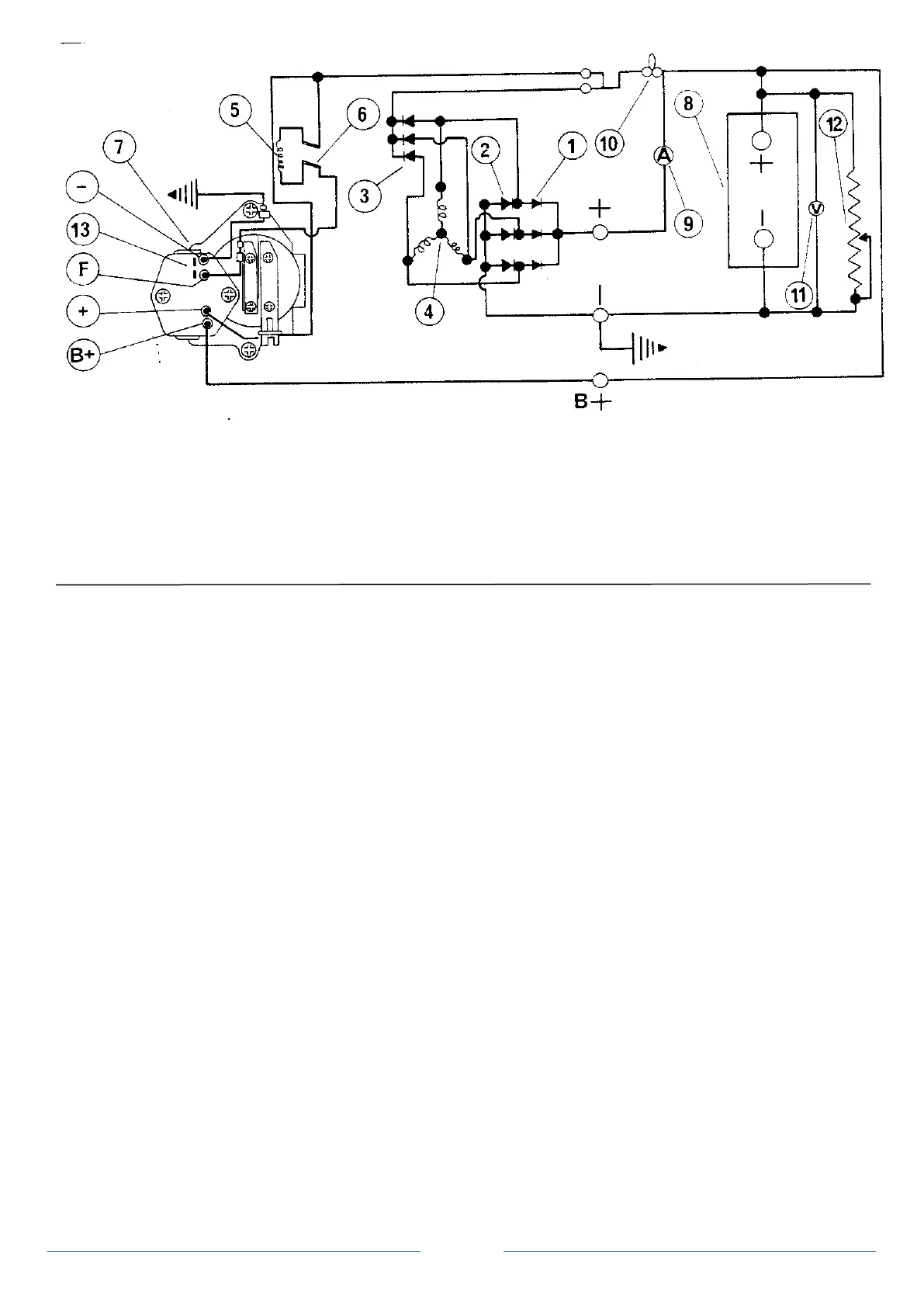
Figure 9 Alternator output test circuit
1. Live side output diodes (3)
2. Earth side output diodes (3)
3. Field feed diodes
4. Stator winding
5. Field winding
6. Slip-rings
7. Voltage regulator
Note: Serious damage to the alternator can occur if the following
points are not observed.
1. Ensure that the battery is connected Negative earth.
Reversed battery connection will destroy the alternator diodes.
2. Never earth the output (B+) terminal of the alternator. It
should be connected directly to the battery positive terminal.
3. Always disconnect the battery earth cables at the battery
before removing the alternator or its connecting wires. Serious
damage to the wiring harness and the alternator can result through
accidentally earthing the output terminal.
4. Never attempt to run the engine with the output cable from
the alternator to the battery disconnected. A very high voltage will
develop which might burn out the rotor or the diodes.
5. When the battery is to be recharged in the car it is wise to
disconnect it from the vehicle wiring before connecting the battery
charger.
6. When starting from a slave battery or "jump" starting
another vehicle ensure the polarity of the leads is correct, i.e. positive
to positive, negative to negative. Incorrect connection may well cause
one or both batteries to explode destroying the alternator and
severely damaging the vehicle wiring.
Testing the alternator
First check for condition and correct tension of the drive belt. The
nominal ratings given at the end of this section are for the vehicle fully
warmed up. These figures may be exceeded slightly during cold
running. To avoid misleading results, the following procedure should
be carried out only with the unit at normal operating temperature.
Alternator output test
1. Unplug the alternator connector and remove the rear
cover. link together the regulator terminals "F" and "-".
2. Connect an exterior test circuit as shown in Figure 9.
Observe carefully the polarity of the battery and alternator terminals.
8. 12 volt battery
9. 0-40 or 0-60 ammeter
10. 12 volt 2.2 watt lamp
11. 0-20 volt meter
12. 0-15 ohms 35 amp variable resistor
13. Link between regulator terminals "F" and "-"
The variable resistor across the battery terminals must not be left
connected for longer than is necessary to conduct this test.
3. Start the engine. At 1,500 alternator rpm (1000 engine
rpm), the test circuit bulb should be extinguished. Increase the engine
speed until the alternator is running at 6,000 alternator rpm (4,000
engine rpm) approximately and adjust the variable resistance until the
volt meter reads 14.0 volts. The ammeter reading should then be
approximately equal to the rated output of the alternator. Any
appreciable deviation would suggest an internal defect and if so a new
alternator will need to be fitted.
Operation 5 To remove the alternator (Figure 10)
1. Disconnect the battery and alternator cables.
2. Slacken the alternator mounting bolts and tilt the unit
towards the engine.
3. Remove the drive belt.
4. Remove the securing bolts, nuts, washers and spacers and
detach the alternator from the engine.
Replace in reverse order. Tighten the pivot bolts to a torque of 2.08-
2.77 kg/m (15-20 lb/ft). Tighten the adjuster bolt to 1.11-1.39 kg/m (8-
10 lb/ft).
Alternator specification
Polarity Negative
Nominal voltage 12 vdc
DC output (hot @ 14 volts/6,000
alternator rpm. 28 amps
Max rotor speed 12,500 rpm
Stator phases 3
Stator winding layout Star
Rotor poles 12
Resistance of windings 4.33 ohms +/- 5%
Brush spring tension 255-368 gf
(9-13 ozf)

Related product manuals