EasyManua.ls Logo

Reliant Kitten Saloon - Page 42

Default Icon
138 pages
Print Icon
To Next Page IconTo Next Page
To Next Page IconTo Next Page
To Previous Page IconTo Previous Page
To Previous Page IconTo Previous Page
Loading...
Page 42
Operation 10 Cylinder head decarbonise
(Head removed)
1. Remove the spark plugs.
2. Remove the inlet and exhaust manifolds and carefully
remove the gasket.
3. Using a suitable valve spring compressor, remove the
valves, keeping them in the correct order. Retain the valve caps,
springs and collets for inspection.
4. Check the valve guides for wear and renew if necessary.
5. If valve guides are worn then remove them using special
tool RT 7478 (Figure 18).
6. Examine the valve seats for pitting and wear. Re-face if
necessary, removing the bare minimum of material.
7. Examine the valves for pitting or wear and re-face if
necessary. Renew any valves having bent or worn stems.
8. Test the valve springs for length to the dimensions given in
the data at the end of this section.
9. Remove carbon deposits from the combustion chambers
and ports using a hardwood scraper. Polish with wire wool.
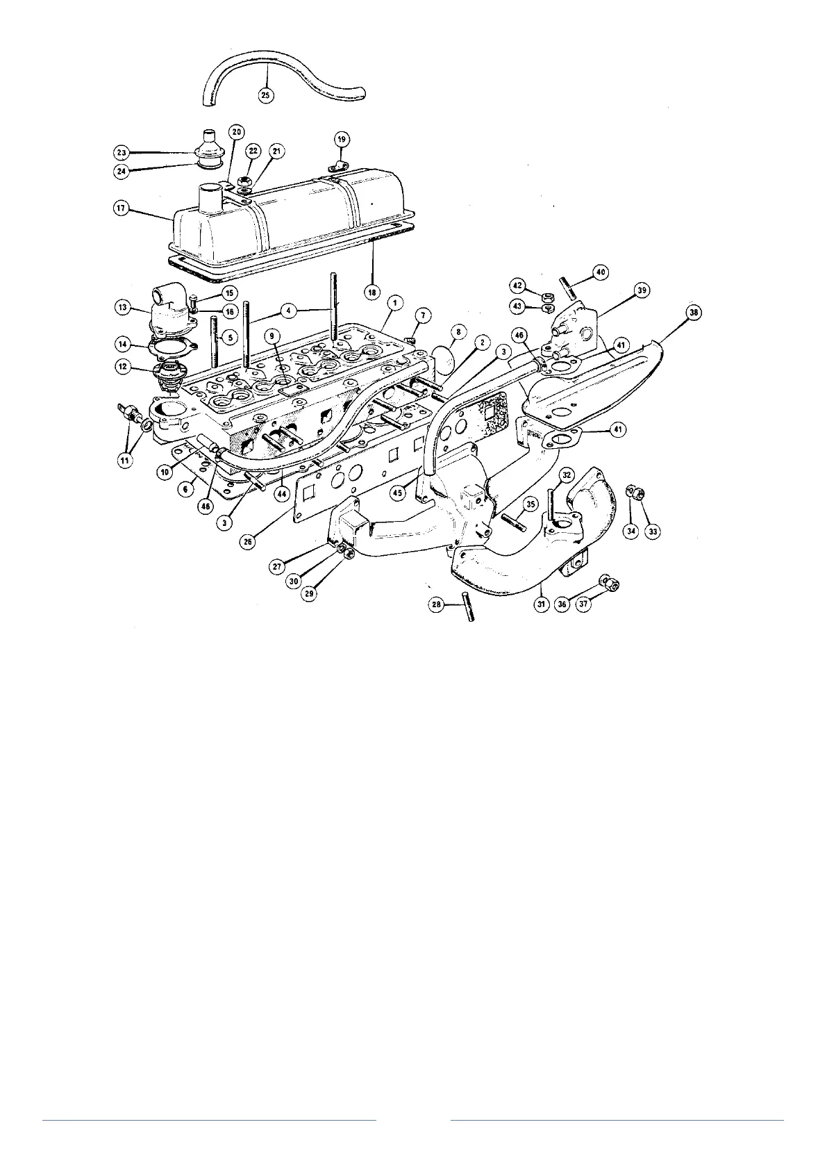
Figure 13 Cylinder head and manifolds - exploded view
1. Cylinder head 17. Rocker cover 33. Manifold nut
2. Stud 18. Rocker cover gasket 34. Lock washer
3. Stud 19. "P" clip 35. Stud
4. Stud 20. Support bracket 36. Washer
5. Stud 21. Washer 37. Nut
6. Gasket 22. Nut 38. Drip tray
7. Oil way plug 23. Oil filler cap 39. Heat exchanger
8. Core plug 24. "O" ring 40. Stud
9. Return spring plate 25. Breather pipe 41. Gasket
10. Hose connection 26. Exhaust manifold gasket 42. Nut
11. Temperature sender 27. Exhaust manifold 43. Lock washer
12. Thermostat 28. Downpipe stud 44. Hose
13. Water outlet branch 29. Manifold nut 45. Hose
14. Gasket 30. Washer 46. Clip
15. Set screw 31. Inlet manifold
16. Washer 32. Manifold stud

Related product manuals