EasyManua.ls Logo

Reliant Kitten Saloon - Page 88

Default Icon
138 pages
Print Icon
To Next Page IconTo Next Page
To Next Page IconTo Next Page
To Previous Page IconTo Previous Page
To Previous Page IconTo Previous Page
Loading...
Page 88
Figure 6 Air cleaner
1. Air cleaner
2. Paper element
3. Set screw
4. Lock washer
5, Washer
6. Gasket
3. Position the new element, refit the body and secure with
the two clips.
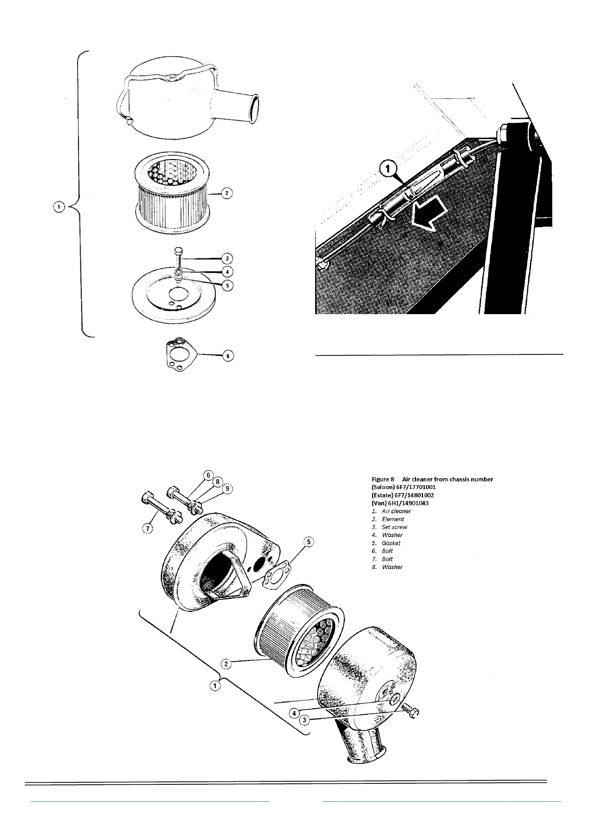
Figure 7 In-line fuel filter
1. Filter element
In-Line fuel filter - Removal and replacement
The in-line fuel filter, situated on the rear chassis side member
forward of the fuel tank, is secured to the pipes by means of spring
clips. The fuel pipe is a push fit into each end of the transparent filter
tubing. When replacing it is vital to note the direction of fuel flow,
which is indicated in Figure 7.

Related product manuals