EasyManua.ls Logo

REMS Tornado 2000 - Page 38

REMS Tornado 2000
42 pages
Print Icon
To Next Page IconTo Next Page
To Next Page IconTo Next Page
To Previous Page IconTo Previous Page
To Previous Page IconTo Previous Page
Loading...
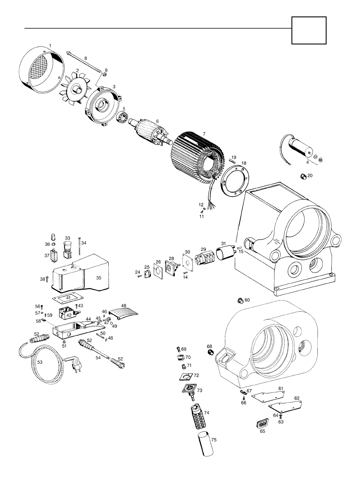
deu Elektrik eng Electrical fra Composants ita Parti elettriche
components électriques
Tornado 2000
Tornado 2010
Magnum 2010
Magnum 3010
Magnum 4010

Other manuals for REMS Tornado 2000

Related product manuals