EasyManua.ls Logo

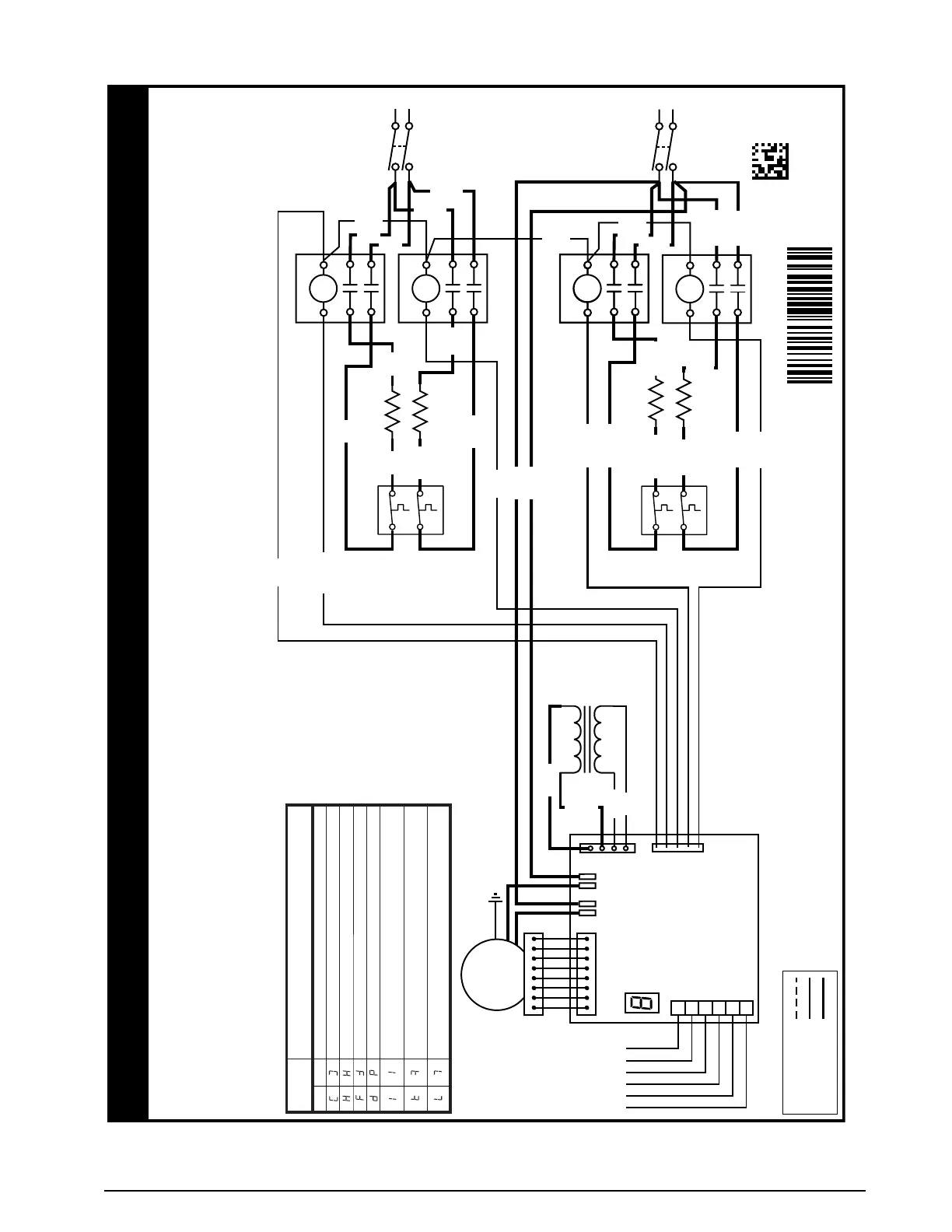
Revolv E7ED DOWNFLOW - Figure 26. E7 EB-020 H & E7 EB-023 H Models

Default Icon
24 pages
Print Icon
To Next Page IconTo Next Page
To Next Page IconTo Next Page
To Previous Page IconTo Previous Page
To Previous Page IconTo Previous Page
Loading...
22
Figure 26. E7EB-020H & E7EB-023H Models
10257230
03/19
FIELD WIRING
LEGEND:
LOW VOLTAGE
HIGH VOLTAGE
WIRING DIAGRAM
DISPLAY
CODE
CURRENT MODE
-
Standby is a Rotating Segment
Cooling Mode (Y input active)
Heating Mode (W input active)
Circulate Fan Mode (G input active)
Dehum Cooling Mode (DEHUM input active along with Y)
(one) A Motor Fault has Occurred (BMF active for more than
30 seconds)
(lower case t) Over Temperatures (The value of the TS input
has exceeded 80C all outputs are stopped.)
Lockout (Ten (10) or more Motor Faults or Over Temperature
events have occurred. All outputs are set to off for one hour.
-
LIMIT
2
1
4
3
L1 L2
R
C
G
W
D
Y
MOTOR
LIMIT
2
1
4
3
TO THERMOSTAT
DC RELAY
DC RELAY
DC RELAY
DC RELAY
R
L1
L2
C
CIRCUIT A
CIRCUIT B
ELEMENT
ELEMENT
ELEMENT
ELEMENT
TRANSFORMER
YELLOW
YELLOW
YELLOW
YELLOW
VIOLET
VIOLET
BROWN
GRAY
GRAY
VIOLET
VIOLET
VIOLET
YELLOW
YELLOW
BLUE
GRAY
ORANGE
RED
RED
RED
RED
BLACK
BLACK
GRAY
BLACK
WHITE
RED
BLACK
BLACK
BLACK
RED
GRAY
BLACK
WHITE
Model: 20kW and 23kW Electric Furnace with FSHE ECM
240VAC 1Ph/60Hz
NOTE: DISPLAY CODE may be inverted
depending on final installation orientation.
NOTES:
1. Supply wire size must be in accordance to the applicable revision of
the NEC and all other applicable codes.
2. To change blower speed refer to installation instructions
3. Refer to furnace installation instructions for thermostat connections.
4. If any wire in this unit is to be replaced it must be replaced with 105°
C thermoplastic copper wire of the same gauge.
5. Not suitable for use on systems exceeding 120V to ground.
6. Refer to installation instructions for complete wiring diagram.
1. La taille du câblage d’alimentation doit être conforme à la révision applicable des codes NEC et des autres codes applicables.
2. Pour changer la vitesse du ventilateur, consultez les instructions d’installation.
3. Consultez les instructions d’installation de la fournaise pour les branchements du thermostat.
4. Si l’un ou l’autre des fils de cette unité requiert un remplacement, il doit être remplacé par un fil en cuivre thermoplastique
105 °C du même gabarit.
5. Ne convient pas à l’utilisation sur les systèmes qui excèdent 120 V à la terre.
6. Consultez les instructions d’installation pour un schéma de câblage complet.

Table of Contents

Related product manuals