EasyManua.ls Logo

Revox B261 - Page 75

Revox B261
Print Icon
To Next Page IconTo Next Page
To Next Page IconTo Next Page
To Previous Page IconTo Previous Page
To Previous Page IconTo Previous Page
Loading...
sTUDtrR
IrEVOX
sEcrtoN
5/3
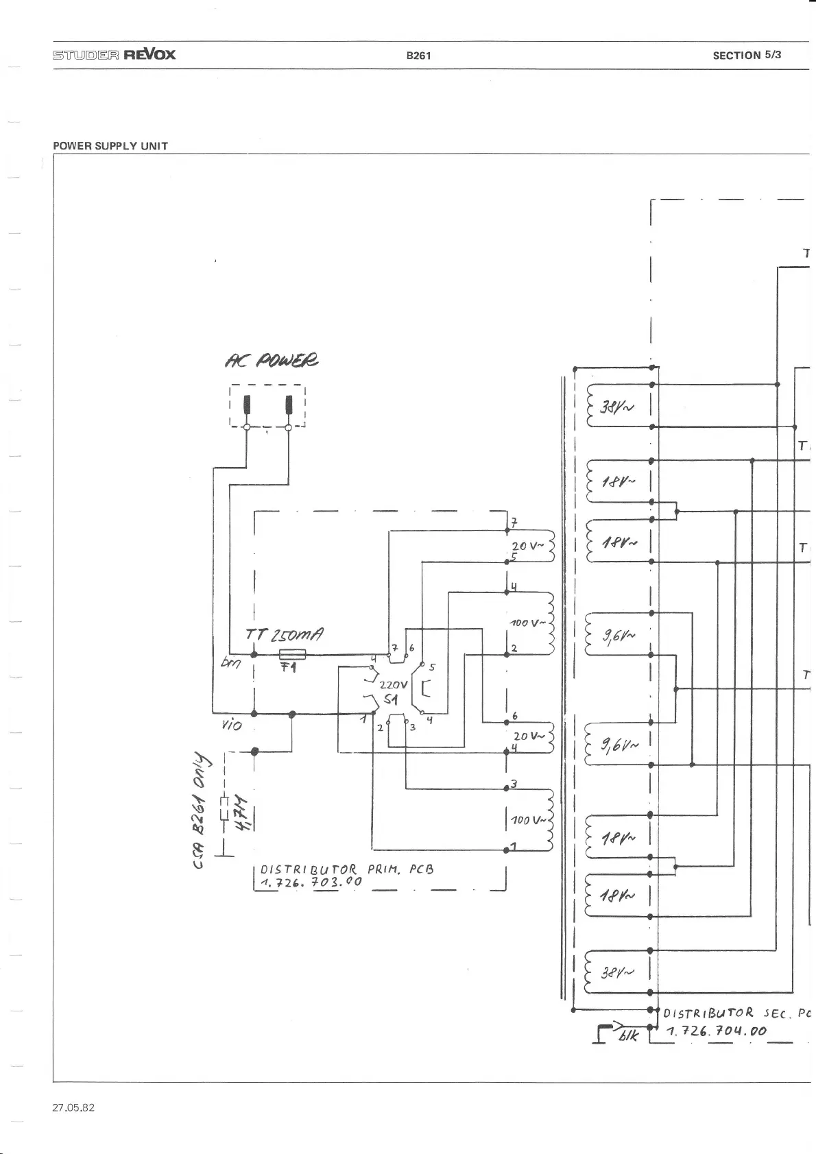
POWER SUPPLY
UNIT
rf
Ztvmi
yio
l-+
I
I
IN
T
l--
l_
\
N
\
\s
(\t
a
g
\J
J
PP,IH.
PCB
I
o,s
rR
t
au
roR
Ln.]zt. t!3.00
D
t
sTP.tBurO
P.
sec
t.726.70tl,00
27.05.82

Other manuals for Revox B261

Related product manuals