EasyManua.ls Logo

Revox B261 - Page 76

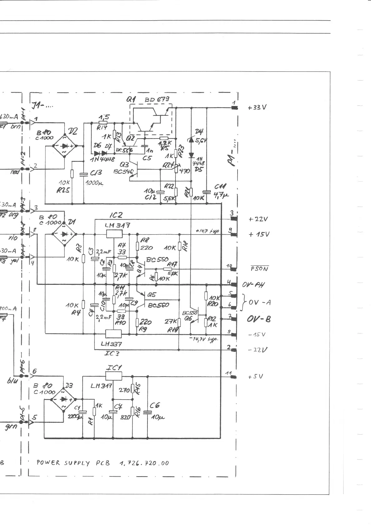
Revox B261
Print Icon
To Next Page IconTo Next Page
To Next Page IconTo Next Page
To Previous Page IconTo Previous Page
To Previous Page IconTo Previous Page
Loading...
V-
-l
\
,30*4
t
BD
679
BQ
e4W
lc2
Po
r,^/
R
ctf
TFt'
t33V
+22V
+
45V
F5ö,v
or-
Pl
I
rov
-A
J
oy-
B
-4SV
_
azv
+5V
:
I
\
q.
Bco
e 4000
g
Clg
rcsrq.
roo..
A
__l L-
svPPLy
PcB
-t,72(.
720
.o0

Other manuals for Revox B261

Related product manuals