EasyManua.ls Logo

Revox B261 - Page 77

Revox B261
Print Icon
To Next Page IconTo Next Page
To Next Page IconTo Next Page
To Previous Page IconTo Previous Page
To Previous Page IconTo Previous Page
Loading...
sruotrR
nd/ox
sEcTloN
5/4
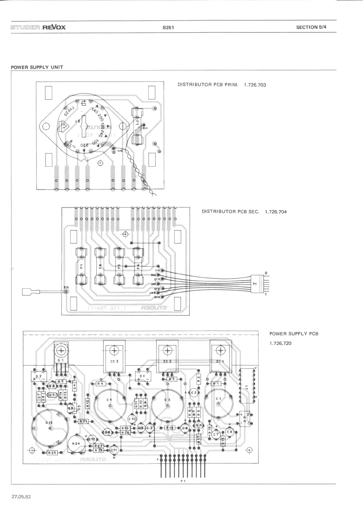
POWER SUPPLY
UNIT
DISTRIBUTOR PCB
PRIM.
1.726J03
DISTRIBUTOR
PCB
SEC,
POWER
SUPPLY
PCB
1.726.720

Other manuals for Revox B261

Related product manuals