EasyManua.ls Logo

RHOSS Yardy-ID2 - Page 47

RHOSS Yardy-ID2
Print Icon
To Next Page IconTo Next Page
To Next Page IconTo Next Page
To Previous Page IconTo Previous Page
To Previous Page IconTo Previous Page
Loading...
47
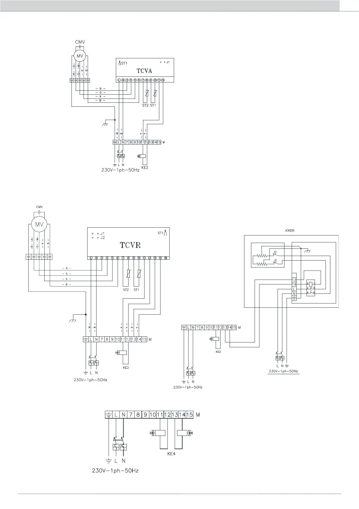
Allegati / Enclosed Documents / Annexes / Anlagen / Anexos
YardyEV3 + TCVA
<DUG\(97&95SLSHV
<DUG\(97&95SLSHVUHVLVWRU
<DUG\(97&95SLSHV
2 Tubi / 2 Pipes / 2
Tuyaux / 2 Rohre / 2
Tubos
(2 Tubi / 2 Pipes / 2 Tuyaux / 2 Rohre / 2 Tubos) + KRER
4 Tubi / 4 Pipes / 4
Tuyaux / 4 Rohre / 4
Tubos

Table of Contents

Related product manuals