EasyManua.ls Logo

RIB B2 24V - Page 51

RIB B2 24V
Print Icon
To Next Page IconTo Next Page
To Next Page IconTo Next Page
To Previous Page IconTo Previous Page
To Previous Page IconTo Previous Page
Loading...
51
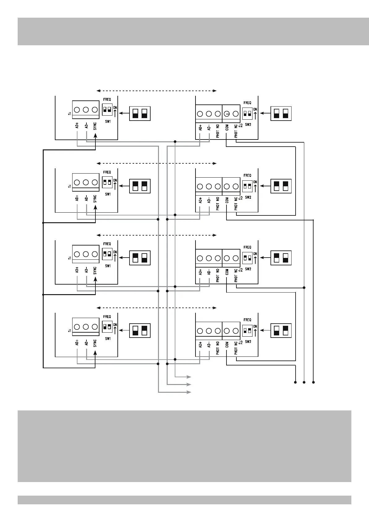
COLLEGAMENTI FOTOCELLULE - CONNEXIONS PHOTOCELLULE - PHOTOCELLS CONNECTIONS
FOTOZELLEN VERBINDUNGEN - CONEXIONES FOTOCÉLULAS
4 fotocellule NOVA sincronizzate con autotest
4 photocellules NOVA synchronisées avec autotest
4 NOVA photocells synchronized with self-test
4 NOVA Photozellen synchronisiert mit Selbstkontrolle
4 fotocélulas NOVA sincronizadas con autotest
TX3 RX3
TX2 RX2
TX1
RX1
TX4 RX4
A-
A+
A+ TEST
COM A+
PHOT1 PHOT2
ATTENZIONE: Se si attiva la funzione AUTOTEST e si collega una sola fotocellula, si
deve fare un ponticello tra i morsetti PHOT 1 e PHOT 2. Se il ponticello
non viene eseguito, l'autotest fallisce ed il cancello non si muoverà.
AVERTISSEMENT: si la fonction AUTOTEST est activée et qu'une seule photocellule
est connectée, un cavalier doit être créé entre les bornes PHOT 1
et PHOT 2. Si le cavalier n'est pas exécuté, l'autotest échoue et
le portail ne bouge pas.
WARNING: If the AUTOTEST feature is enabled and only one photocell is connected,
a jumper must be made between the PHOT 1 and PHOT 2 terminals. If
the jumper is not made, the AUTOTEST fails and the gate will not move.
WARNUNG: Wenn die AUTOTEST-Funktion aktiviert und nur eine Fotozelle
angeschlossen ist, muss eine Brücke zwischen den Klemmen PHOT 1 und PHOT 2
hergestellt werden. Wenn der Jumper nicht gemacht wird, schlägt der AUTOTEST
fehl und das Gate bewegt sich nicht.
ADVERTENCIA: Si la función AUTOTEST está activada y solo se conecta una
fotocélula, se debe hacer un puente entre los terminales PHOT 1 y PHOT 2. Si el
puente no se ejecuta, la autoprueba falla y la puerta no se moverá.

Related product manuals