EasyManua.ls Logo

Riello 40 - Exploded Spare Parts List

Riello 40
20 pages
Print Icon
To Next Page IconTo Next Page
To Next Page IconTo Next Page
To Previous Page IconTo Previous Page
To Previous Page IconTo Previous Page
Loading...
GB
2555
13
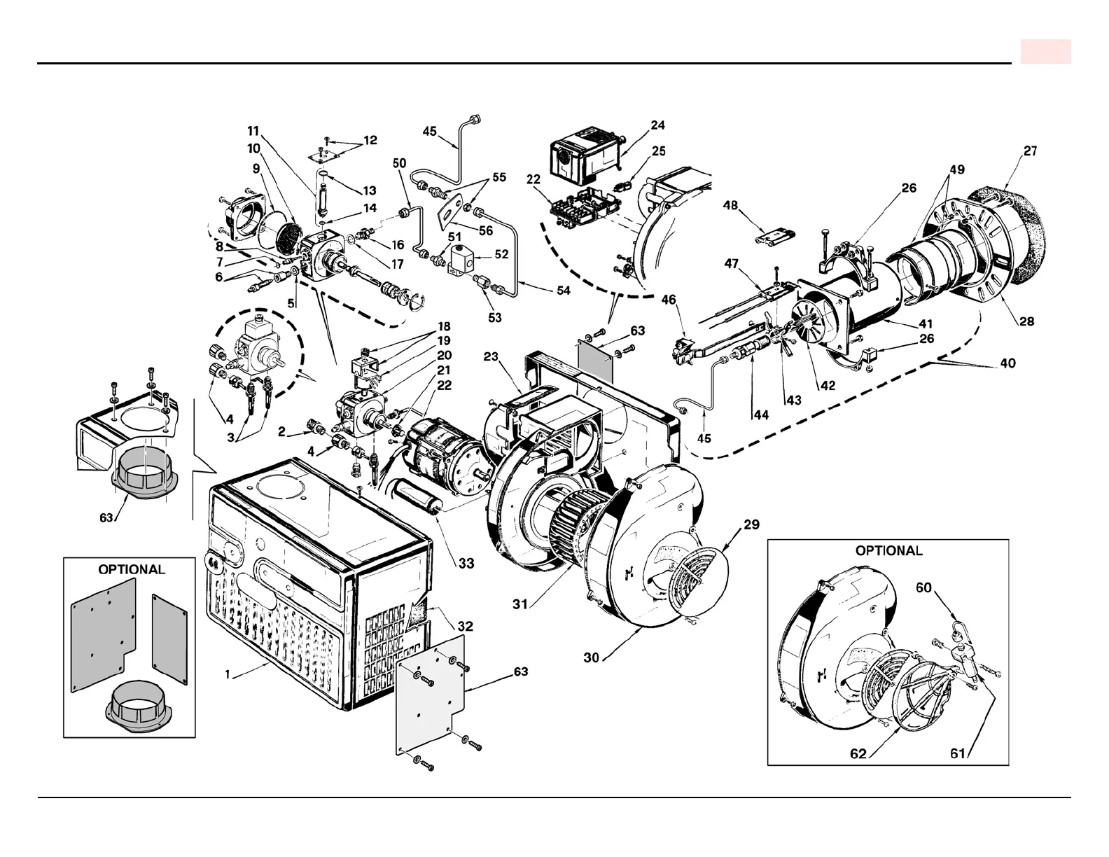
EXPLODED SPARE PARTS LIST

Other manuals for Riello 40

Related product manuals