EasyManua.ls Logo

Riello 40BF - Application Field Wiring

Riello 40BF
24 pages
Print Icon
To Next Page IconTo Next Page
To Next Page IconTo Next Page
To Previous Page IconTo Previous Page
To Previous Page IconTo Previous Page
Loading...
20015900
5
GB
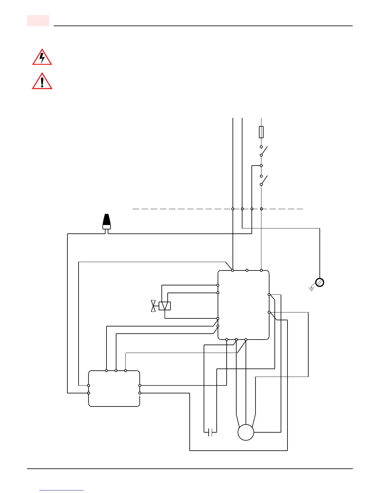
APPLICATION FIELD WIRING
Capacitor
GREEN
BLUE
BLACK
BLACK
WH ITE
BLUE
M
BROWN
AL 1009-1
Burner Fan-Off
Ti mer
6
12
8
N
1
11
9
3
2
7
YELLOW
BLUE
BLUE
RED
GREY
L
WH ITE
BLACK
RED
WGR B
WH ITE
RED
BROWN
Ground
FACTORY WIRED
SUB BASE
LIMIT
Switches
SAFETY
Switches
Fuse 15 A
L1L2
Earth
Ground
WH ITE
GREEN
RED
BLACK
Motor
FIELD
WIRING
Oil Valve
Control Box
530 SE/C
4
All the installation, maintenance and disassembly operations MUST be carried out with the electric-
ity supply disconnected.
The installation of the burner must be carried out by qualified personnel, as indicated in this manual
and in compliance with the standards and regulations of the laws in force.
DANGER
WARNING
D7518

Related product manuals