EasyManua.ls Logo

Riello RTC 3800-80 - Page 29

Riello RTC 3800-80
56 pages
Print Icon
To Next Page IconTo Next Page
To Next Page IconTo Next Page
To Previous Page IconTo Previous Page
To Previous Page IconTo Previous Page
Loading...
29
INSTALLATION
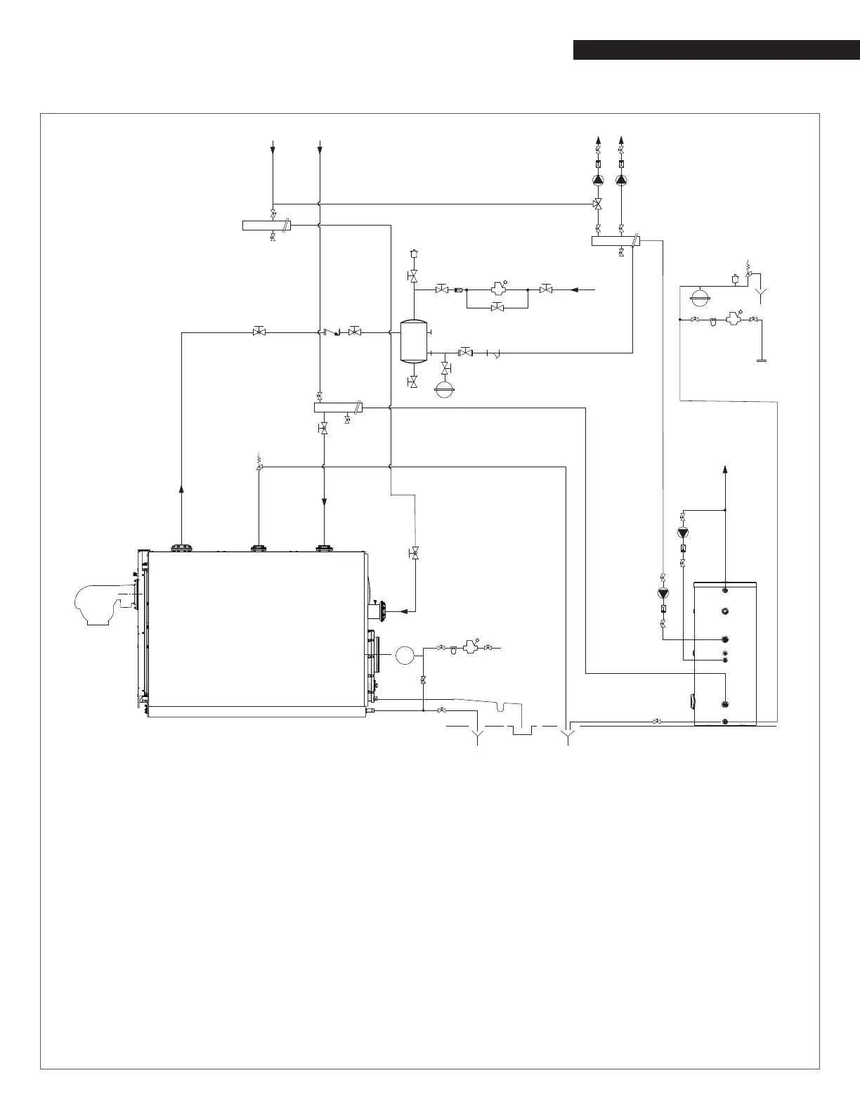
Single Boiler Combination Heating & Domestic Water Plant
3
3
24
3
4
5
3
3
4
5
3
21
3
12
10
3
20
226
15
6
3
3
3
11
3
3
3
3
4
3
23
3
5
3
24
16
16
16
1617
3
3
24
3
10
19
9
7
5
4
3
5
4
18
15
10
12
3
8
3
3
14
13
1
2
LT (*)
CENTRAL
HEATING
RETURN
LT RETURN (**)
FLOW
WATER
INLET
CENTRAL
HEATING
SUPPLY
MAKE-UP
WATER
INLET
DHW USER
POINTS
HT (*)
CENTRAL
HEATING
RETURN
HT
RETURN
25
1 Boiler
2 Burner
3 Isolation valves
4 Central heating system pump
5 Non-return valves
6 Automatic vent valve
7 Boiler safety valve
8 Boiler drain valve
9 Y strainer
10 Pressure reducer
11 Expansion tank
12 Water softener lter
13 Siphon
14 Condensate outlet
15 Drain
16 Isolation valve
17 Non-return valve
18 Air separator
19 Domestic water storage tank
20 Storage tank drain valve
21 DHW circuit expansion tank
22 Storage tank safety valve
23 3-way valve
24 Central heating system manifold
25 Pressure gauge
(*) LT= Low Temperature/HT= High Temperature
(**) On the RTC 1000-80 to RTC 4700-80 the low
temperature heating return is located on the top
of the boiler. See "Single Boiler Piping Schematic
Type A".

Table of Contents

Related product manuals