EasyManua.ls Logo

Riello RTC 6000 - Page 26

Riello RTC 6000
52 pages
Print Icon
To Next Page IconTo Next Page
To Next Page IconTo Next Page
To Previous Page IconTo Previous Page
To Previous Page IconTo Previous Page
Loading...
26
INSTALLATION
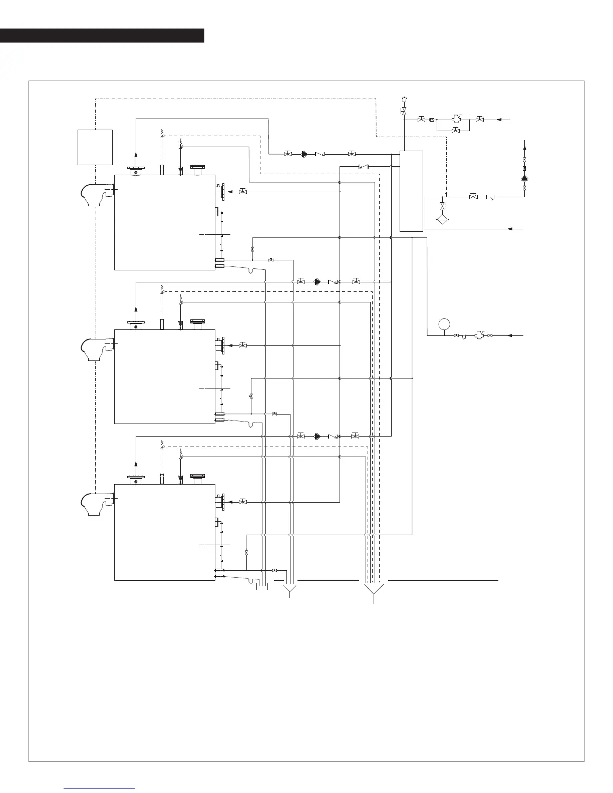
Multiple Boiler Piping with Primary and Secondary Piping
FLOW
1
FLOW
1
FLOW
1
13
8
8
8
16
16
16
17
17
17
17
18
14 15
3
10
12
3
3
13
13
15
6
3
3
3
11
3
3
3
10
9
5
7*
7
7*
7
7*
7
SP
2
2
2
3
5
4
3
4
4
4
M
TC
3
3
16
16
16
16
16
16
MAKE-UP
WATER
WATER
INLET
LT
RETURN
LT
RETURN
LT
RETURN
LT (*) CENTRAL
HEATING
RETURN
CENTRAL
HEATING
SUPPLY
1 Boiler
2 Burner
3 Isolation valves
4 Central heating system pump
5 Non-return valves
6 Automatic vent valve
7 Boiler safety valve
7* Second boiler safety valve (only for RTC 8000 - RTC
10000)
8 Boiler drain valve
9 Y lter
10 Pressure reducer
11 Expansion tank
12 Water softener lter
13 Siphon
14 Condensate outlet
15 Drain
16 Isolation valve
17 Non-return valve
18 Mixer tank
M Pressure gauge
SP Sequencing panel
TC Control temperature
(*)_HT High Temperature
LT Low Temperature
_ _ _ RTC 8000 - RTC 10000
. _ . _ . Electrical signal

Table of Contents

Other manuals for Riello RTC 6000

Related product manuals