EasyManua.ls Logo

Riello RTC 6000 - Page 28

Riello RTC 6000
52 pages
Print Icon
To Next Page IconTo Next Page
To Next Page IconTo Next Page
To Previous Page IconTo Previous Page
To Previous Page IconTo Previous Page
Loading...
28
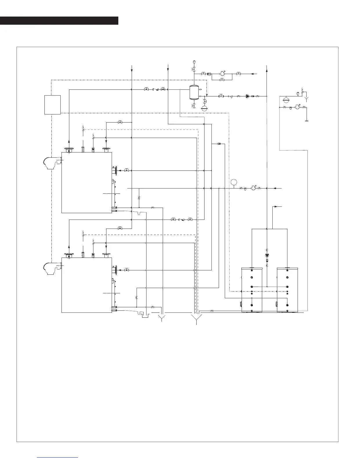
INSTALLATION
Two-Boiler Combination Heating & Domestic Water Plant
FLOW
1
FLOW
1
13
14 15
10
12
3
3
13
3
4
5
3
21
INLET
3
12
10
3
20
226
15
6
3
3
3
11
3
3
3
3
10
19
9
5
7*
7
7*
7
3
SP
19
M
2
2
18
TC
3
16
16
8
4
3
4
5
3
5
8
16
16
16
17
16 17 16
16
DHW USER
POINTS
MAKE-UP
WATER
WATER
INLET
LT (*) CENTRAL
HEATING
RETURN
HT (*) CENTRAL
HEATING
RETURN
LT
RETURN
LT
RETURN
HT
RETURN
HT
RETURN
CENTRAL
HEATING
SUPPLY
1 Boiler
2 Burner
3 Isolation valves
4 Central heating system pump
5 Non-return valves
6 Automatic vent valve
7 Boiler safety valve
7* Second boiler safety valve (only for RTC 8000 - RTC
10000)
8 Boiler drain valve
9 Y lter
10 Pressure reducer
11 Expansion tank
12 Water softener lter
13 Siphon
14 Condensate outlet
15 Drain
16 Isolation valve
17 Non-return valve
18 Air separator
19 Domestic water storage tank
20 Storage tank drain valve
21 DHW circuit expansion tank
22 Storage tank safety valve
M Pressure gauge
SP Sequencing panel
TC Control temperature
(*)_HT High Temperature
LT Low Temperature
_ _ _ RTC 8000 - RTC 10000
. _ . _ . Electrical signal

Table of Contents

Other manuals for Riello RTC 6000

Related product manuals