EasyManua.ls Logo

ring POWERSOURCEPURE RINVP600 - Page 4

ring POWERSOURCEPURE RINVP600
8 pages
Print Icon
To Next Page IconTo Next Page
To Next Page IconTo Next Page
To Previous Page IconTo Previous Page
To Previous Page IconTo Previous Page
Loading...
4
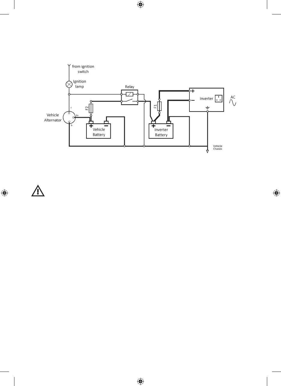
Dual Battery System
For heavy duty applications a secondary battery can be fitted to increase the inverter running time. An
additional relay may also be fitted to allow this battery to be charged from the vehicle alternator when the
vehicle engine is running, Fig2 shows an example installation.
Fig2 – Example dual battery system
Earth Connection
Ensure the inverter is earthed by connecting a cable from the inverter earthing bolt (10) to a suitable earth
within the installation (normally the vehicle chassis)
Caution
Do not operate the inverter without connecting it to ground, otherwise a fault condition may present
an electric shock hazard.
Earth Leakage Protection
When the inverter is used to power 230V socket outlets, which are a permanent part of the installation, a
Residual Current Device (RCD) should be fitted to provide protection in the event of a fault.
8pp A5 (PSW) UK Full Handbook v4.indd 4 07/04/2014 09:48

Related product manuals