EasyManua.ls Logo

Rinnai RU80i - Flue Installation with Centrotherm Venting (Indoor Models Only)

Rinnai RU80i
107 pages
Print Icon
To Next Page IconTo Next Page
To Next Page IconTo Next Page
To Previous Page IconTo Previous Page
To Previous Page IconTo Previous Page
Loading...
16 KB Series Manual
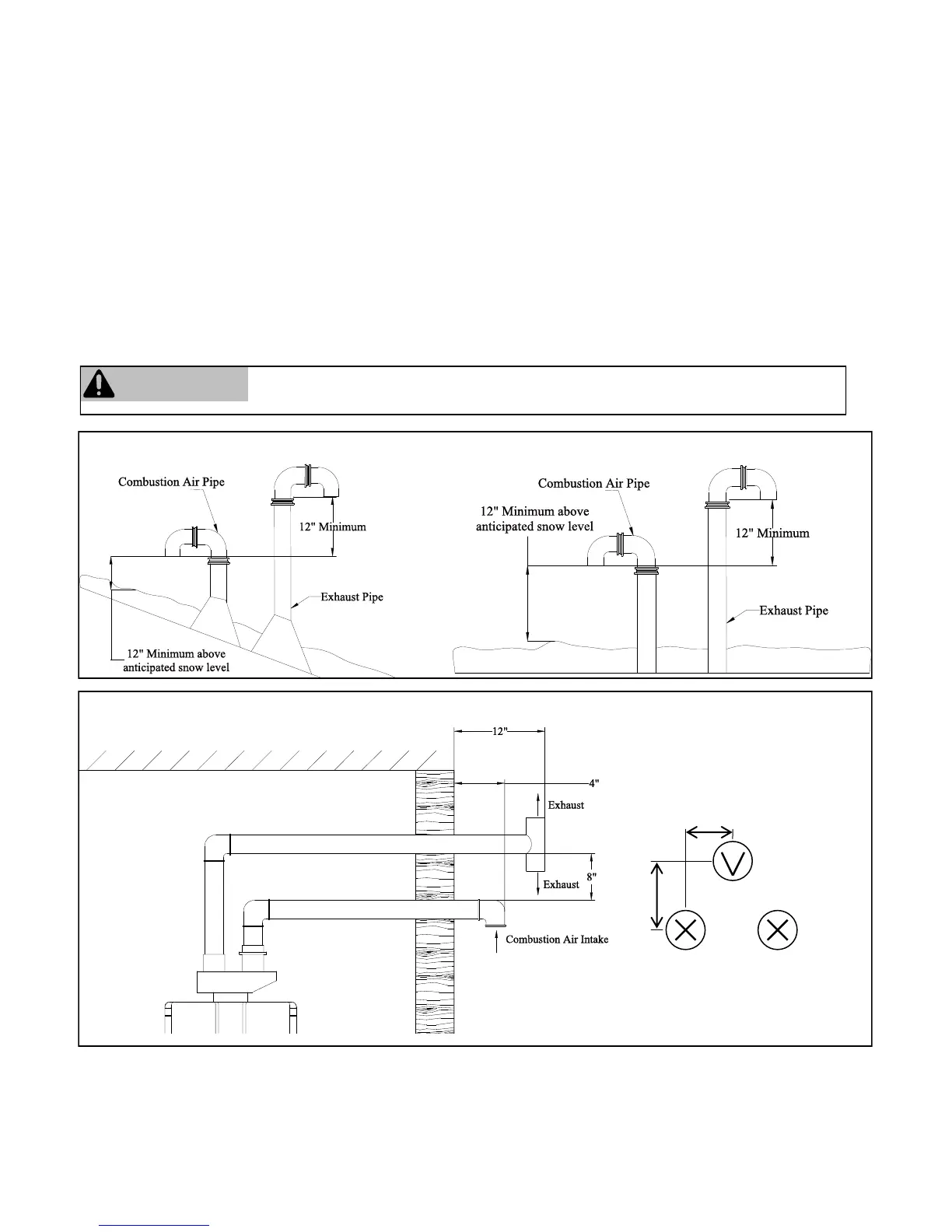
Comply with the exhaust clearances found in the Rinnai Operaon and Installaon Manual.
Only one appliance can be aached to the vent system.
Install the system in according to the Centrotherm installaon instrucons.
Use the 3”/5” concentric to twin pipe adaptor and 3” diameter venng.
The vent terminaon and air intake must be in the same pressure zone.
Do not exceed maximum straight vent length with number of elbows as shown in the tables on the next
page.
Maintain the clearances shown in the gures below.

cellular core PVC, CPVC, Radel, ABS or Galvanized ducts as venng
materials.


11
5”
Intake
Oponal
Vent
Flue Installaon with Centrotherm Venng (indoor models only)
Install the venng terminaon according to the diagrams and instrucons below.

Table of Contents

Other manuals for Rinnai RU80i

Related product manuals