EasyManua.ls Logo

Roadtrek 170 - 190-Popular Chevrolet Propane Schematic

Roadtrek 170
92 pages
Print Icon
To Next Page IconTo Next Page
To Next Page IconTo Next Page
To Previous Page IconTo Previous Page
To Previous Page IconTo Previous Page
Loading...
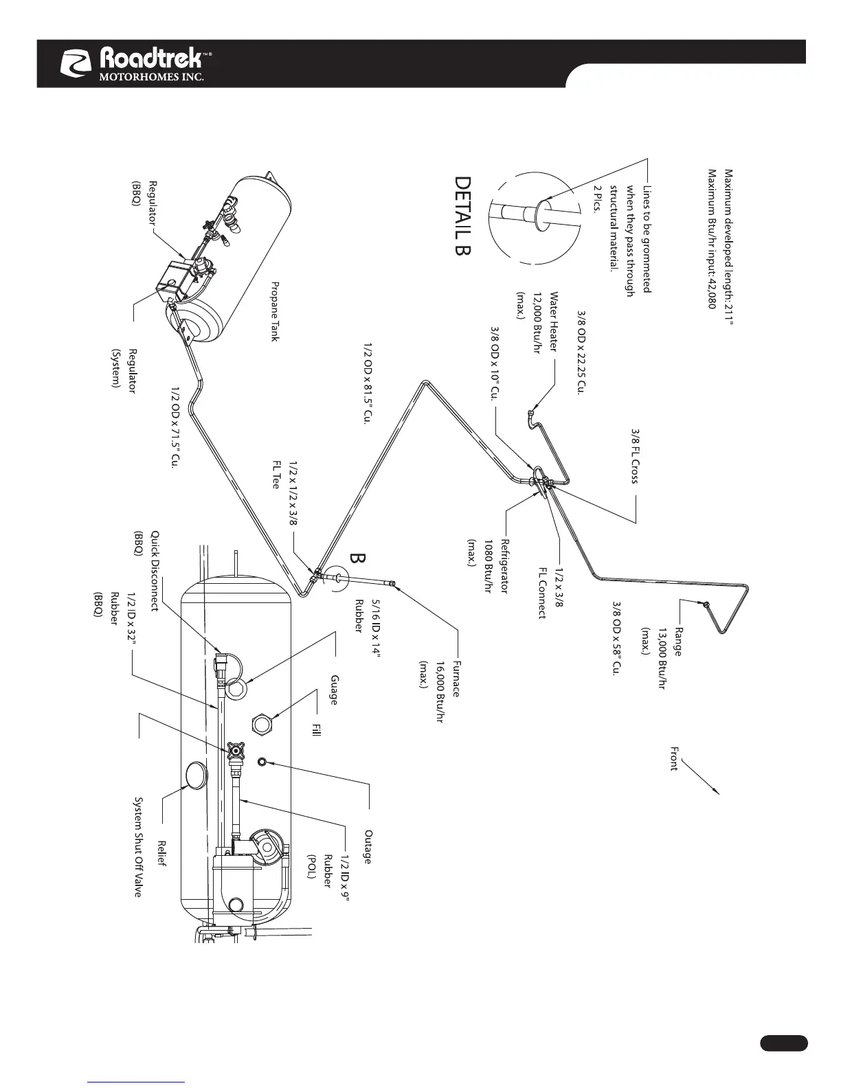
PROPANE & SAFETY SYSTEM
Doc No: 21906503 Rev: 05 Copyright © Roadtrek Motorhomes Inc. 2007 F - 5
190-Popular Chevrolet

Table of Contents

Related product manuals