EasyManua.ls Logo

Robin RGX1810 - Page 14

Robin RGX1810
40 pages
Print Icon
To Next Page IconTo Next Page
To Next Page IconTo Next Page
To Previous Page IconTo Previous Page
To Previous Page IconTo Previous Page
Loading...
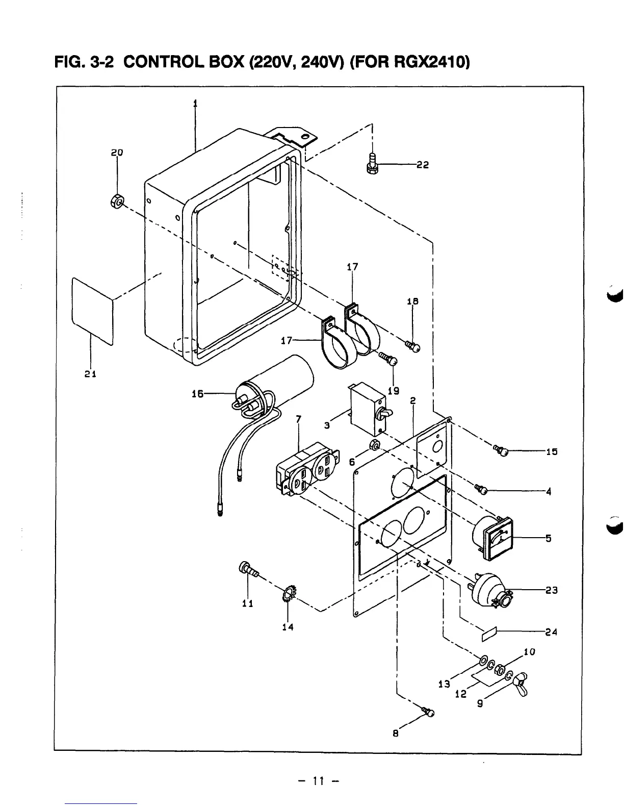
FIG. 3-2 CONTROL BOX (22OV, 24OV) (FOR RGX2410)
- 11 -

Related product manuals