EasyManua.ls Logo

Robin RGX1810 - Fig. 4 Crankcase Group

Robin RGX1810
40 pages
Print Icon
To Next Page IconTo Next Page
To Next Page IconTo Next Page
To Previous Page IconTo Previous Page
To Previous Page IconTo Previous Page
Loading...
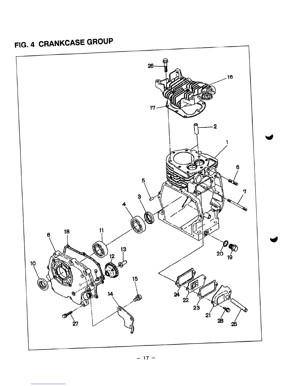
FIG. 4 CRANKCASE GROUP
10
\
16
I r
2
1
- 17 -

Related product manuals