EasyManua.ls Logo

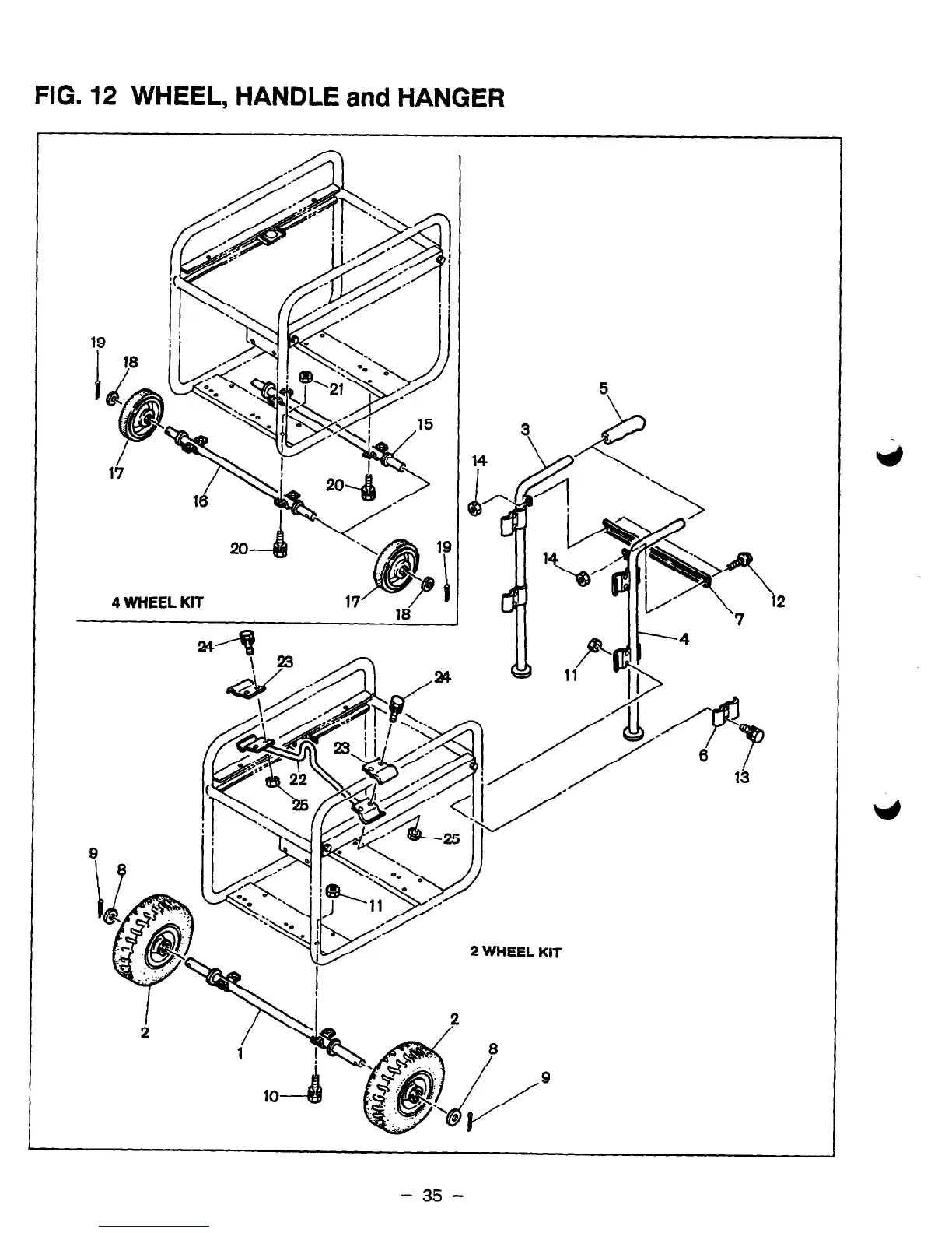
Robin RGX1810 - FIG. 12 WHEEL, HANDLE and HANGER

Robin RGX1810
40 pages
Print Icon
To Next Page IconTo Next Page
To Next Page IconTo Next Page
To Previous Page IconTo Previous Page
To Previous Page IconTo Previous Page
Loading...
FIG. 12 WHEEL, HANDLE and HANGER
20
19
4 WHEEL KIT
17
1Q
I”
2
“-4
>
2 WHEEL KIT

Related product manuals