EasyManua.ls Logo

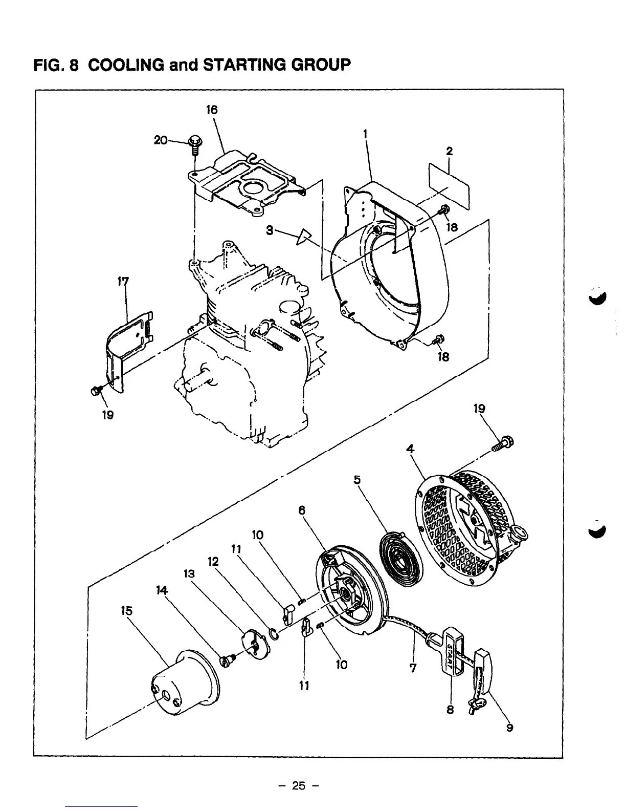
Robin RGX1810 - FIG. 8 COOLING and STARTING GROUP

Robin RGX1810
40 pages
Print Icon
To Next Page IconTo Next Page
To Next Page IconTo Next Page
To Previous Page IconTo Previous Page
To Previous Page IconTo Previous Page
Loading...
FIG. 8 COOLING and STARTING GROUP
16
- 25 -

Related product manuals