EasyManua.ls Logo

Robomow RS 630 - Defining Main Zone Area; Testing Wire Position; Wire Test Special Cases; Adding Sub-Zones

Robomow RS 630
54 pages
Print Icon
To Next Page IconTo Next Page
To Next Page IconTo Next Page
To Previous Page IconTo Previous Page
To Previous Page IconTo Previous Page
Loading...
18
Robomow RS 630
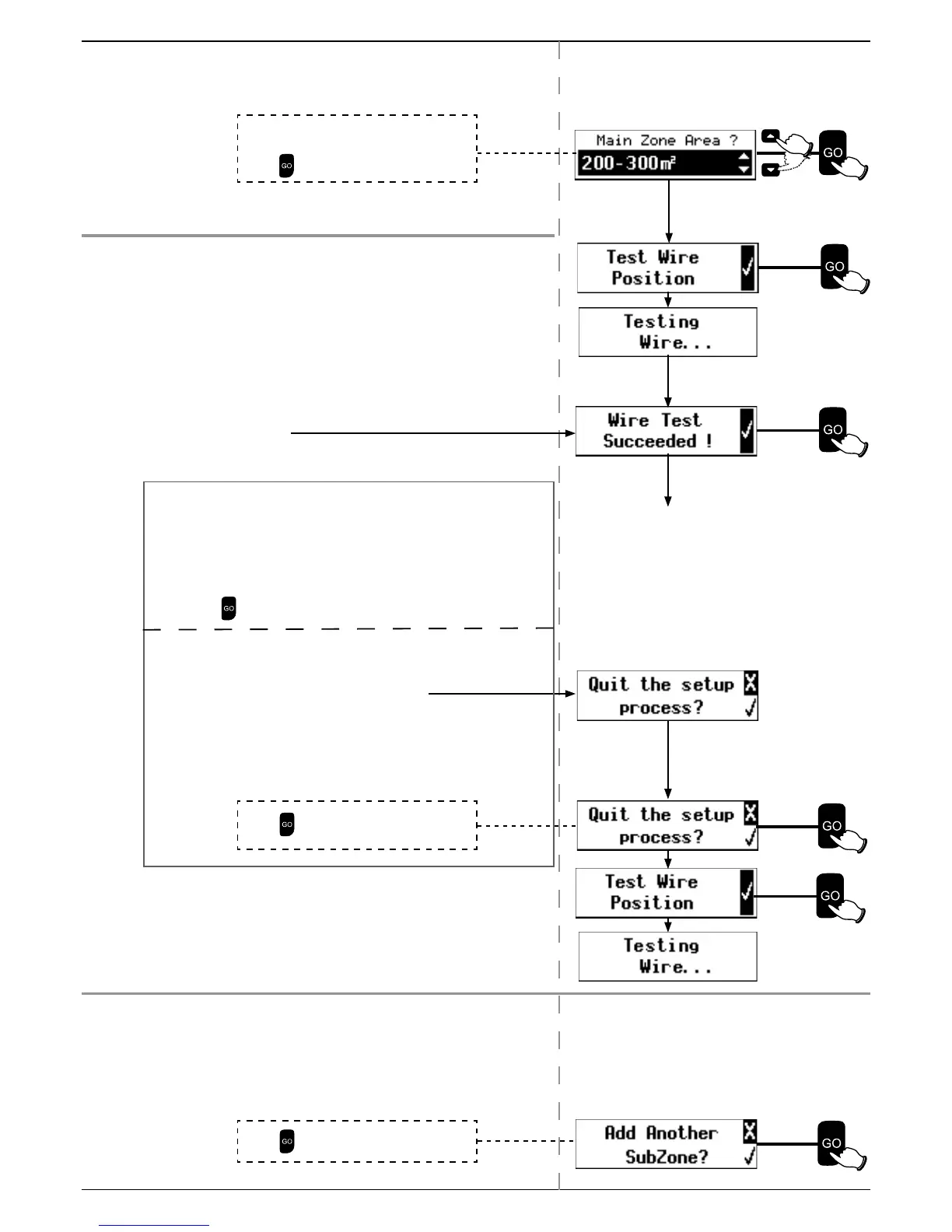
3.3.6 Main Zone Area
If a Sub-Zone exists. Do not include it in the area size required here.
You will be promoted to define it later.
3.3.7 Test Wire Position
Testing Wire...
Robomow follows the wire around the edge to test the wire position.
Walk along the side of Robomow while it is following the edge.
Having completed the process. Robomow enters the Base Station,
drives back and stops in front of the Base Station. The following
message is displayed:
Special Cases:
If an Adjust Wire message is displayed. The mower stops and
drives backward.
Move the wire slightly inward.
Press to repeat the Wire Test.
If, at any point, you wish to move the mower outward to enlarge the
covered area, press Stop.
The mower stops and display the message:
Do not respond yet.
Move the wire slightly outward.
Place the mower in front of the changed Section of wire.
3.3.8 Add Another Sub-Zone
Once the Wire Test has been completed, you will be asked if you
have a Sub-Zone.
If you don’t have a Sub-Zone:
3.3.8
Press to quit the set-up process.
Scroll to select approximate area of the Main
Zone.
Press
.
Press to continue the Test Wire Position.

Table of Contents

Related product manuals