EasyManua.ls Logo

Robotis dynamixel AX-12 - Connector; Molex Connector Specifications

Default Icon
38 pages
Print Icon
To Next Page IconTo Next Page
To Next Page IconTo Next Page
To Previous Page IconTo Previous Page
To Previous Page IconTo Previous Page
Loading...
DYNAMIXEL
AX-12
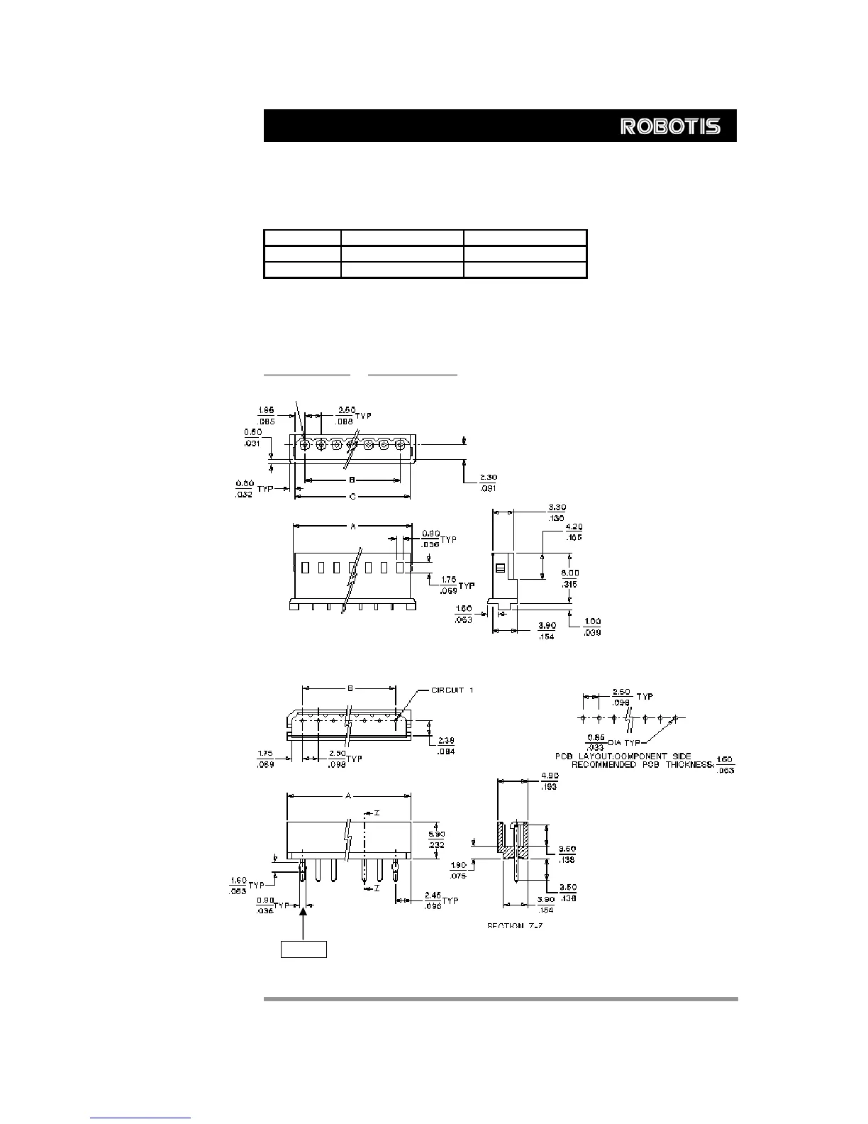
Connector Company Name : Molex
Pin Number: 4
Model Number
Molex Part Number Old Part Number
Male 22-03-5045 5267-03
Female 50-37-5043 5264-03
Temperature range : -40°C to +105°C
Contact Insertion Force-max : 14.7N (3.30 lb)
Contact Retention Force-min : 14.7N (3.30 lb)
www.molex.com or www.molex.co.jp for more detail information
Female Connector
Male Connector
Pin No.1
36

Related product manuals