EasyManua.ls Logo

Roca BCH-15 - BCH - 10, 12, 15, 230.3.50

Roca BCH-15
48 pages
Print Icon
To Next Page IconTo Next Page
To Next Page IconTo Next Page
To Previous Page IconTo Previous Page
To Previous Page IconTo Previous Page
Loading...
33
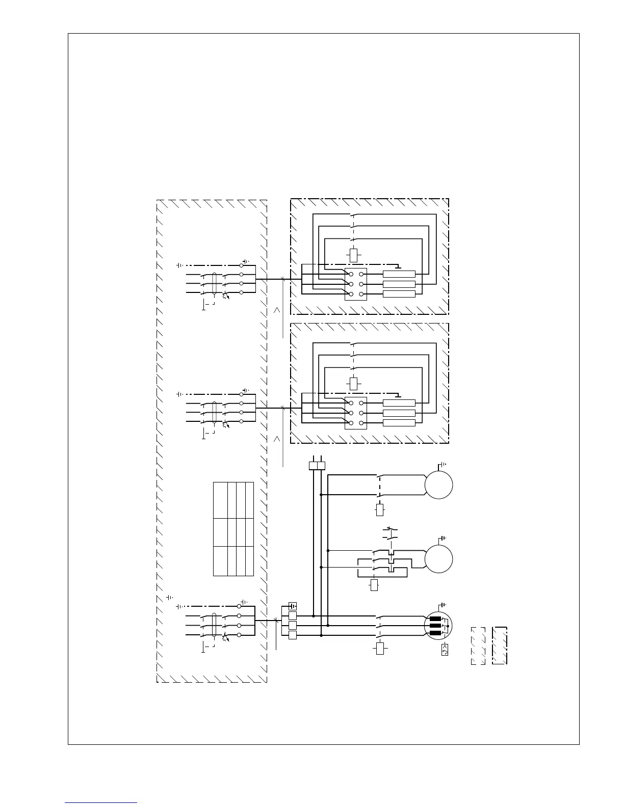
Power diagram
BCH - 10, 12, 15, 230.3.50
IO:
M1:
M2:
M3:
R1:
R2:
JOBSITE
INSTALLATION
COMPRESSOR
INDOOR
FAN
OUTDOOR
FAN
INDOOR
HEATER
10/15 kW
DUCT ELECTRIC
HEATER
10/15 kW
SEE DIAGRAM
RC-10-220/15-220
IO
(01) (03) (04) (06)(02) (05) (07)
1
2
M3
5
6
M
1 ~
K3
(13)
1
M2
M
1 ~
35
246
K2
(14)
F3
(8)
97 95
98 96
L3
L1
(1)
(1)
L1
L1
L3
L3
Q1
30 m A
Q2
L2
L2
M1
1
2
3
4
(6)
L1 L3
X1/...
B mm Cu.
2
K6
L2
5
6
230V,3 ~,50 Hz,
L1
L2 L3
1
2
K12
3
4
5
6
R2
Q6
10 kW-32A
15 kW-50A
L1
L2 L3
Q5
30 m A
10 kW-6
15 kW-10
mm Cu
2
L1
L2 L3
1
2
K4
3
4
5
6
R1
Q4
10 kW-32A
15 kW-50A
L1
L2 L3
Q3
30 m A
10 kW-6
15 kW-10
mm Cu
2
(4)
(5)
MODEL
Q2 (A)
SECTION B
mm
2
BCH-10
BCH-12
BCH-15
32
40
40
4
6
6
I-1275/g
BCH-10,12,15, 230.3.50
THE COMPONENTS INCLUDED IN THESE BOXES
ARE NOT SUPPLIED BY THE MANUFACTURER.
THE COMPONENTS INCLUDED IN THESE BOXES ARE STANDARD
ACCESSORIES SUPPLIED BY THE MANUFACTURER.

Related product manuals