EasyManua.ls Logo

Roca BCH-15 - BCH - 25 & 30, 230.3.50

Roca BCH-15
48 pages
Print Icon
To Next Page IconTo Next Page
To Next Page IconTo Next Page
To Previous Page IconTo Previous Page
To Previous Page IconTo Previous Page
Loading...
37
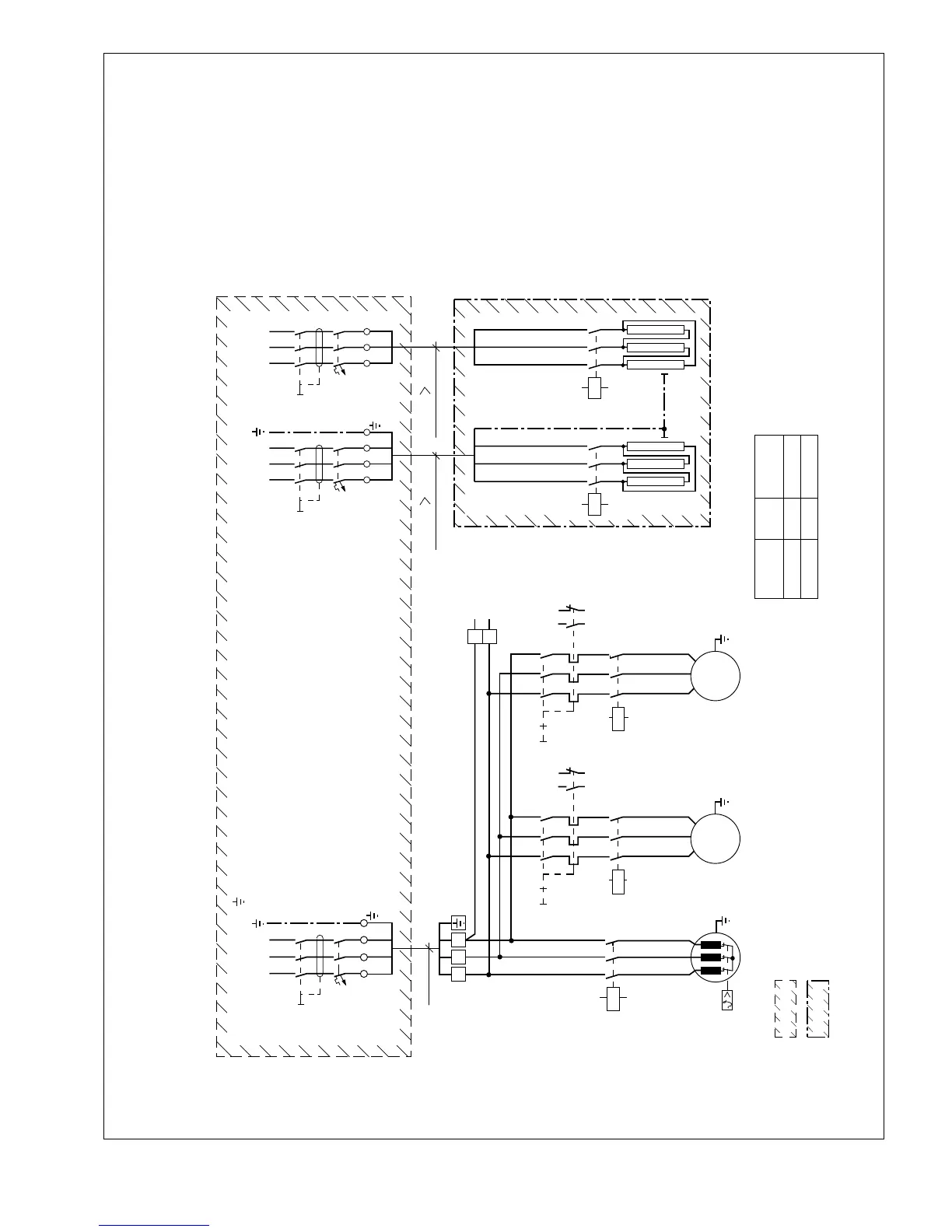
Power diagram
BCH - 25 & 30, 230.3.50
IO:
M1:
M2:
M3:
R1:
JOBSITE
INSTALLATION
COMPRESSOR
INDOOR
FAN
OUTDOOR
FAN
DUCT ELECTRIC
HEATER
20/30 kW
I-1873/b
BCH-25,30, 230.3.50
SEE DIAGRAM
RC-20-220/30-220
(03) (04) (06) (07)
L3
L1
(1)
(1)
230V,3 , 50 Hz,
~
IO
(01) (02)
L1
L1
L3
L3
Q1
30 m A
Q2
L2
L2
M1
1
2
3
4
(6)
L1 L3
X1/...
B mm
2
Cu.
KM1
L2
5
6
M2
M
3
~
1
F2
(8)
13 21
14 22
OFF ON
35
KM2
(14)
135
246
246
M3
M
3
~
1
F3
(15)
13 21
14 22
OFF ON
35
KM3
(13)
135
246
246
10 kW-6
15 kW-10
mm Cu
2
10 kW-6
15 kW-10
mm Cu
2
L1
L2 L3
Q8
10 kW - 32A
15 kW - 50A
L1
L2 L3
Q 7
30 mA
K15
1
2
3
5
6
4
L1
L2 L3
L1
L2 L3
Q 5
30 mA
Q6
10 kW - 32 A
15 kW - 50 A
K12
(5)
1
2
3
5
6
4
R1
(5)
MODEL
Q2 (A)
SECTION B
BCH-25
50
63
10
16
mm
2
BCH-30
THE COMPONENTS INCLUDED IN THESE BOXES
ARE NOT SUPPLIED BY THE MANUFACTURER.
THE COMPONENTS INCLUDED IN THESE BOXES ARE STANDARD
ACCESSORIES SUPPLIED BY THE MANUFACTURER.

Related product manuals