EasyManua.ls Logo

Roca BCH-15 - Control Diagram; BCH - 25 & 30, 230.3.50, 400.3.50

Roca BCH-15
48 pages
Print Icon
To Next Page IconTo Next Page
To Next Page IconTo Next Page
To Previous Page IconTo Previous Page
To Previous Page IconTo Previous Page
Loading...
41
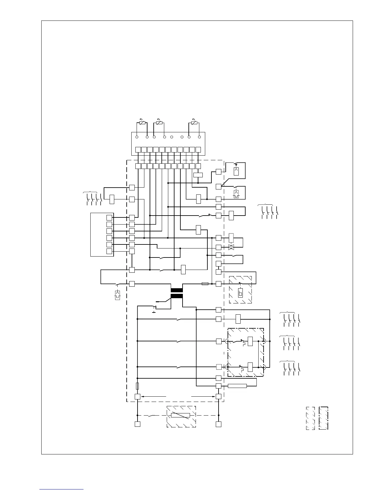
Control diagram
BCH - 25 & 30, 230.3.50, 400.3.50
A1:
B1:
B2:
B3:
F2:
F3:
F5:
F6:
F7:
M1:
M2:
M3:
R2:
R3:
R4:
RD:
ELECTRONIC
PLAQUE
OUTDOOR
SENSOR
DISCHARGE
SENSOR
LIQUID
SENSOR
INDOOR FAN
THEMAL
RELAY
OUTDOOR
FAN THERMAL
RELAY
AUTOMATIC
PRESSURE
CUT-OUT28 bar
24V AMBIENT
THERMOSTAT
AIR FLOW
RATE
CONTROL
COMPRESSOR
INDOOR FAN
MOTOR
OUTDOOR
FAN
DUCT
HEATER
DRAIN PAN
HEATER
CASING
HEATER
DEFROSTING
RELAY
I-1876/a
BCH-25,30
230.3.50
400.3.50
WHEN AN ELECTRIC HEATER IS INSTALLED,
FIT AN F7 AIR FLOW CONTROL
*
Y1
A1
F2
4A
B
B1 72 BB1
KM2
(14)
B2
13
14
K14
75
3
6
K5
(16)
K1
(14)
3
4
76
KM3
74
K1
11 11
9 9
6 6
79 78
O
R
B Y
W
G
O
R
B Y
W
G
F6
B
KM2
77
1
2
3
4
5
6
13 14
(02)
(10)
F2
13
14
(02)
10 10
2 2
K5
(16)
45
78
K5
(16)
K4a
12 12
1 1
7 7
3 3
4 4
8 8
K5
1
2
3
4
5
6
13 14
(03)
1
2
3
4
5
6
13 14
(01)
1
2
3
4
5
6
13 14
(06)
(2)
24 V
T1
63 VA
L
F1
2A
220 V
240 V
S1
L1
K4a
(9)
1
2
K14
(12)
1
2
K1
(14)
1
2
(L3)
N N
N 1 N
R3
14
13
K12
(4)
17151491110876543 12 13
B1
B2
B3
A2
A1
16
73
B
P
A1
A2
F3
(03)
12
F5
230V.1.50 Hz
A2
A1
13
14
A2
*
F7
1
2
3
4
5
6
13 14
(07)
25
K15K12
21
23
A2
A1
A2
A1
X3/5 X2/5
X2/7
KM1
A2
A1
X3/4
X2/4
RD
R4
R1 R2 M1
M3
M2
K12
13
14
THE COMPONENTS INCLUDED IN THESE BOXES
ARE NOT SUPPLIED BY THE MANUFACTURER.
THE COMPONENTS INCLUDED IN THESE BOXES ARE STANDARD
ACCESSORIES SUPPLIED BY THE MANUFACTURER.

Related product manuals