EasyManua.ls Logo

Rocal RCr - Instalação Elétrica

Rocal RCr
Print Icon
To Next Page IconTo Next Page
To Next Page IconTo Next Page
To Previous Page IconTo Previous Page
To Previous Page IconTo Previous Page
Loading...
Pag. 38
TODOS AS NORMAS NACIONAIS E EUROPEIAS TÊM DE SER CUMPRIDAS NO MOMENTO EM
QUE LIGAR O APARELHO À ELETRICIDADE.
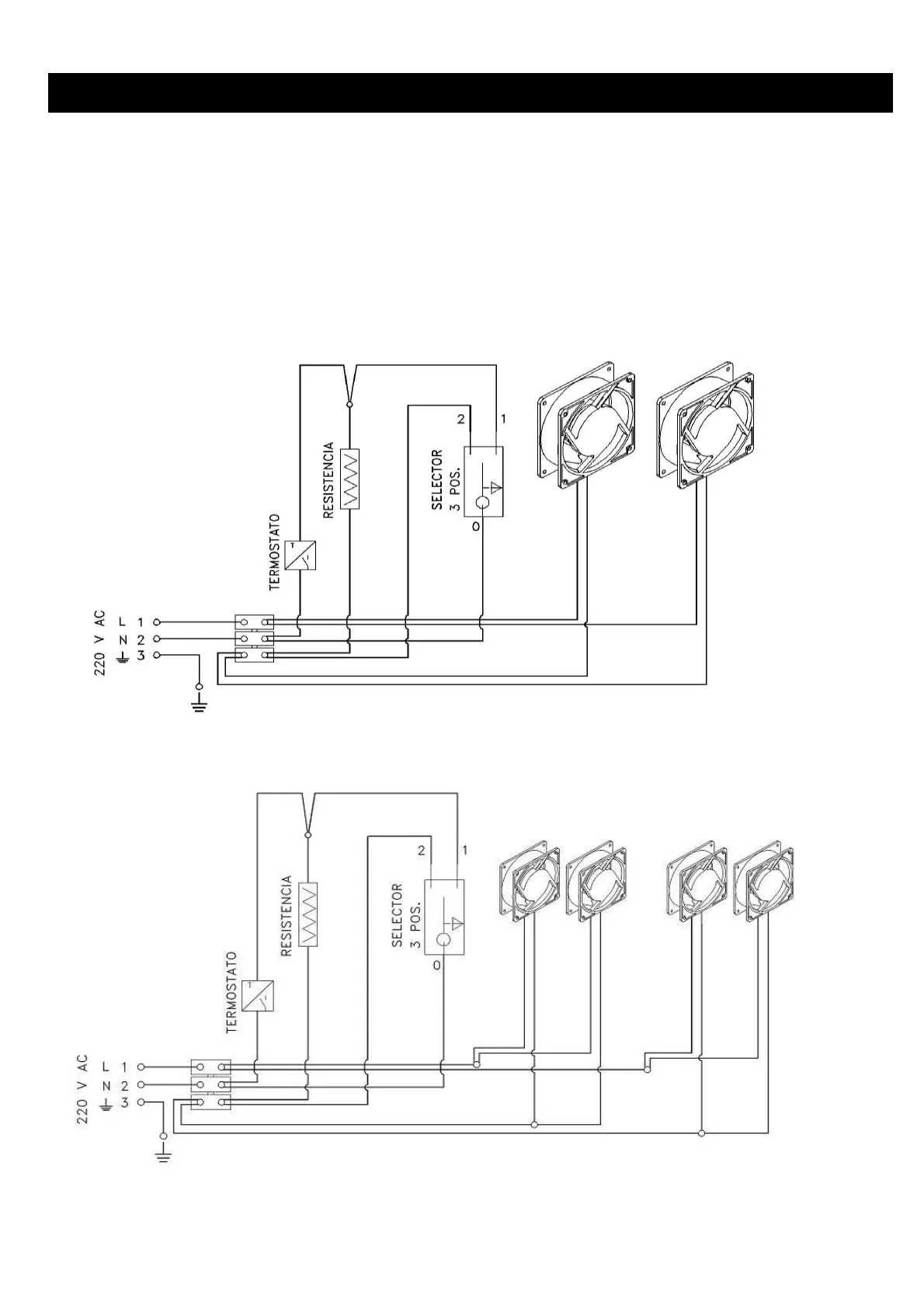
4.1. Componentes. A unidade vem equipada com duas turbinas helicoidais para os modelos RCr
50V, RCr 50 V - GRAFFITI, RCr 65, RCr 70, RCr 70 GRAFFITI, RCr 70 A, 70 RCr A-GRAFFITI e RCr
70 CONICO e quatro para os modelos RCr 80, RCr 80 GRAFFITI, RCr 100 e 100 RCr GRAFFITI,
termostato para funcionamento das ventoinhas, resistência, interruptor de controlo de velocidade das
ventoinhas, cabo interno e tubo de silicone para saída externa.
4.2. Esquema eléctrico 2 turbinas operacionais
4.2. Esquema eléctrico 4 turbinas operacionais
4. INSTALAÇÃO ELÉTRICA

Related product manuals