EasyManua.ls Logo

rotork Modbus - Fig 8: CMA Menu Structure for Setting up the Actuator: from the COMMS Setting; Fig 9: Connections to the MFU Located in a CMA Actuator

rotork Modbus
64 pages
Print Icon
To Next Page IconTo Next Page
To Next Page IconTo Next Page
To Previous Page IconTo Previous Page
To Previous Page IconTo Previous Page
Loading...
Modbus Option Card Properties
Publication PUB091-004-00_0918 17 of 64
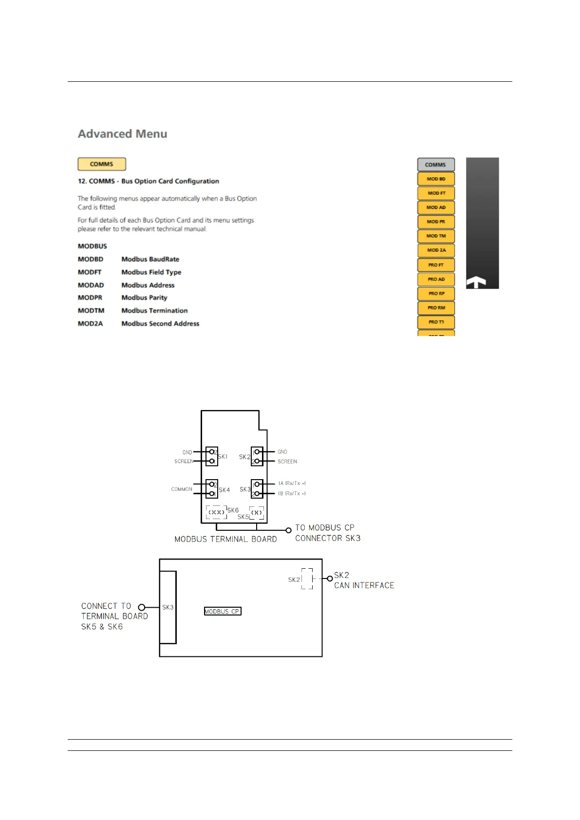
Fig 8: CMA menu structure for setting up the actuator: from the COMMS setting,
select the Modbus button. From here, you can adjust the individual Modbus settings.
Fig 9: Connections to the MFU located in a CMA actuator

Table of Contents

Related product manuals