EasyManua.ls Logo

ROTOTILT ICS Direct - Harness Diagrams; General and Pressure Sensor Harnesses

Default Icon
17 pages
Print Icon
To Next Page IconTo Next Page
To Next Page IconTo Next Page
To Previous Page IconTo Previous Page
To Previous Page IconTo Previous Page
Loading...
© Rototilt Group AB 2018-04-27
schema:6
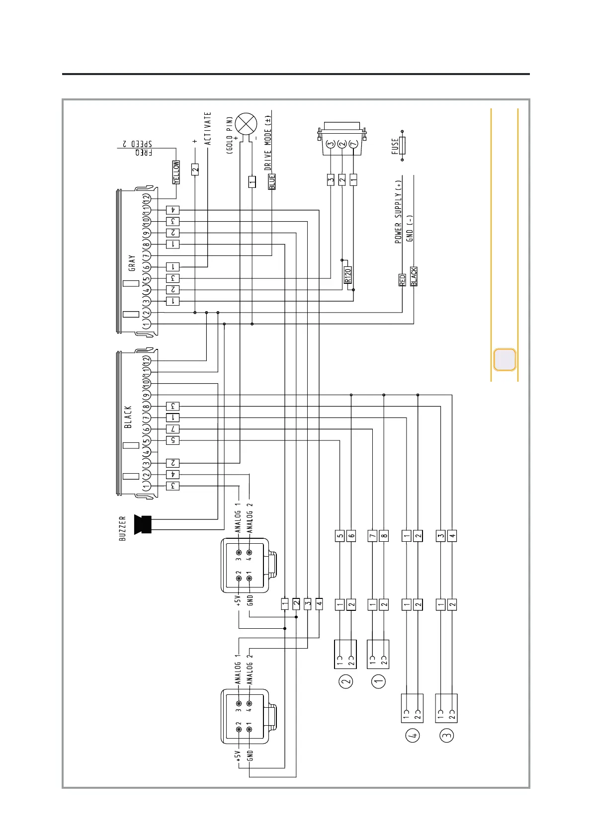
Harness ICS Direct
Harness ICS Direct General version
i
INFO - Schematic refers to the general version of ICS
Direct. Adapted versions of the system may differ.
English
EN
EN -
2200401_ _7225

Other manuals for ROTOTILT ICS Direct

Related product manuals