EasyManua.ls Logo

Ruggerini RY 70 - Page 17

Default Icon
74 pages
Print Icon
To Next Page IconTo Next Page
To Next Page IconTo Next Page
To Previous Page IconTo Previous Page
To Previous Page IconTo Previous Page
Loading...
17
17-04-2003
01
15-01-2004
DATE
COMPILER TECO/ATI
REG. CODE
1-5302-467
MODEL N°
50707
DATE OF ISSUE
REVISION
ENDORSED
VI
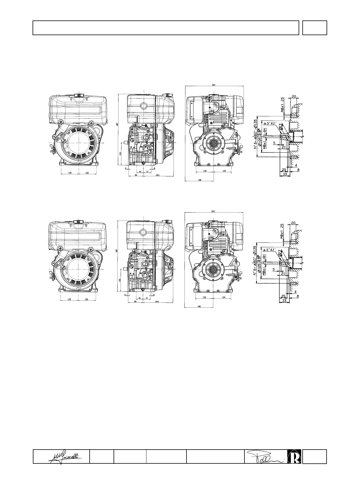
RY 103
RY 110
OVERALL DIMENSIONS

Table of Contents

Other manuals for Ruggerini RY 70

Related product manuals