EasyManua.ls Logo

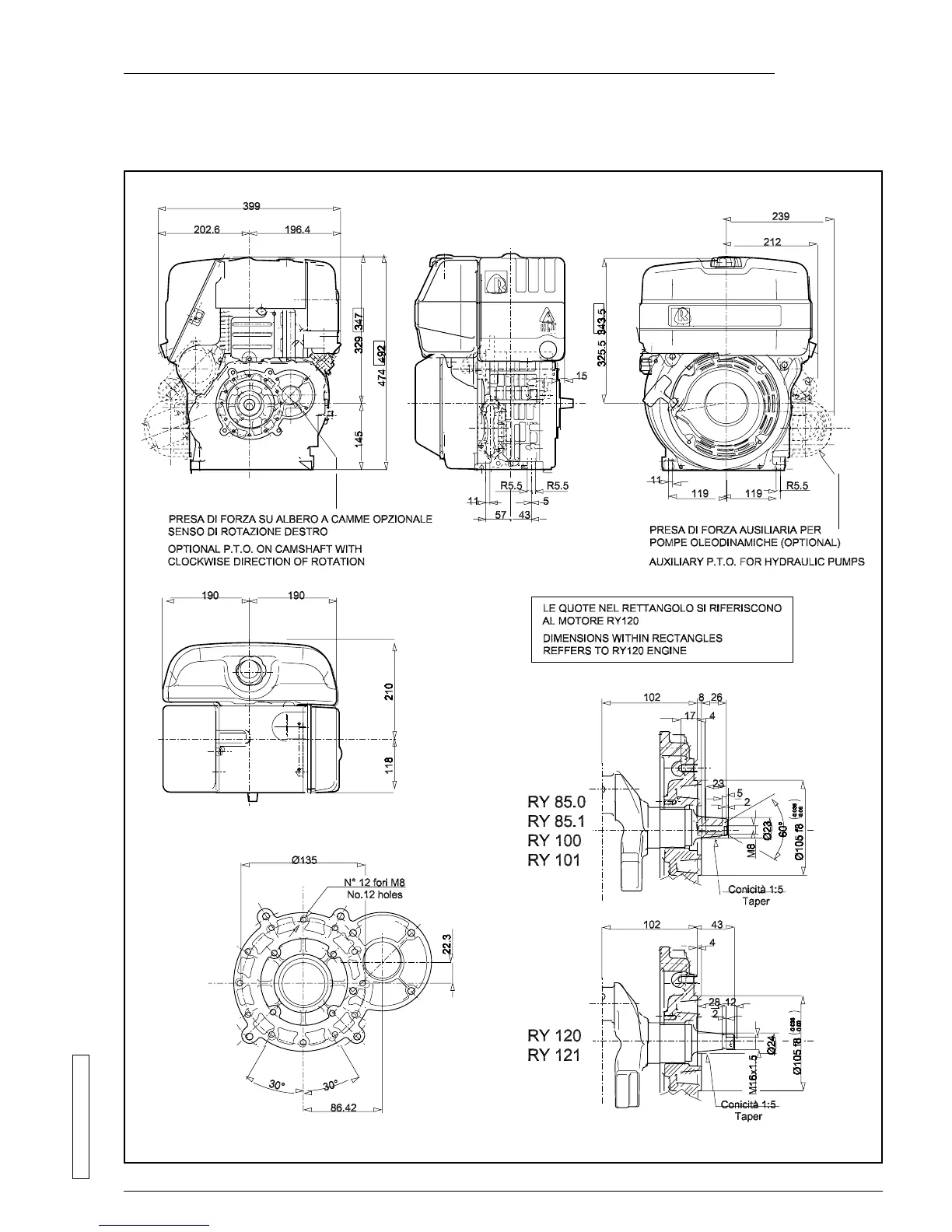
Ruggerini SERIES RY - 3 Overall Dimensions

Ruggerini SERIES RY
36 pages
Print Icon
To Next Page IconTo Next Page
To Next Page IconTo Next Page
To Previous Page IconTo Previous Page
To Previous Page IconTo Previous Page
Loading...
7.0
service
00497R0990 - 15-07-2000
3. OVERALL DIMENSIONS

Table of Contents

Related product manuals