EasyManua.ls Logo

ryan 544283D - Chassis Components

Default Icon
52 pages
Print Icon
To Next Page IconTo Next Page
To Next Page IconTo Next Page
To Previous Page IconTo Previous Page
To Previous Page IconTo Previous Page
Loading...
28
MATAWAY
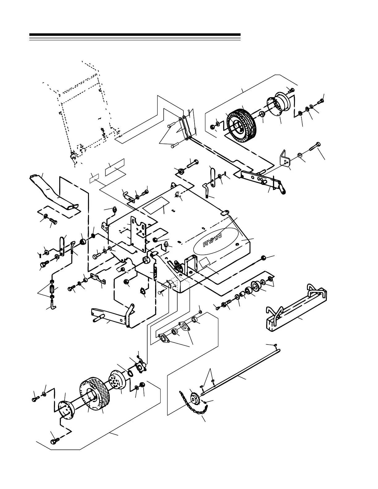
FIGURE 1
CHASSIS
Not
Serviced
2
3
43
5
6
7
8
9
10
11
70
13
14
15
16
17
18
19
20
21
22
23
24
25
26
27
28
29
30
32
33
34
35
36
37
38
39
40
41
42
43
44
45
46
47
48
42
43
44
49
50
47
55
56 & 58
57
4
59
60
61
62
45
64
65
54
53
52
1
5
8
43
8
43
71
71
49
64
60
59
4
72
12
4
63
38
59
4
22
4
51
68
67
69
66
4
31
72
73

Related product manuals