EasyManua.ls Logo

Ryobi 765r - Page 2

Ryobi 765r
2 pages
Print Icon
To Previous Page IconTo Previous Page
To Previous Page IconTo Previous Page
Loading...
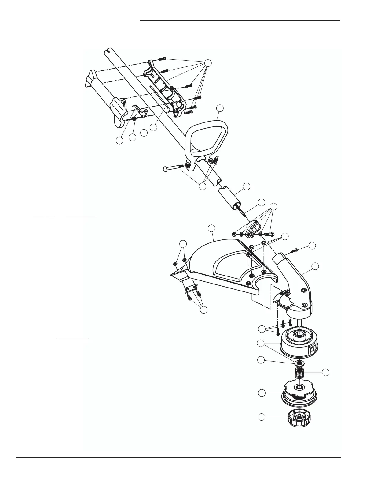
ENGINE PARTS - RYOBI 765r
2-CYCLE GAS TRIMMER
PPN 41ADL02G734
Item
Part No. Description
1 791-182069 Throttle Housing and Trigger Assembly
2 791-610314 Throttle Trigger Spring
3 791-181556 Throttle Trigger
4 791-182068 Throttle Cable Housing Assembly
5 791-153064 D-Handle (includes 6)
6 791-153317 D-Handle Hardware Assembly
7 753-04250 Drive Shaft Housing Assembly
8 753-04251 Flexible Drive Shaft
9 791-153597 Lower Clamp Assembly
10 791-180547 Guard Mounting Screw Assembly
11 753-1213 Guard and Blade Assembly
12 791-181823 Blade Assembly
13 791-145569 Anti-Rotation Screw
14 791-180549 Gearbox Assembly
15 791-153619 Outer Spool Assembly
16 791-610660 Retainer
17 791-610317 Spring
18 794-610318 Inner Reel
19 791-153066 Bump Head Knob Assembly
Optional Accessories
* 791-610375 Monoflail Cutting Line (50 ft.)
* 791-153577 Spool and Line (25 ft.) Assembly
* not shown
1
4
3
2
1
5
6
7
8
9
11
12
10
13
14
10
15
12
16
17
18
19
Issued 4/03

Other manuals for Ryobi 765r

Related product manuals