EasyManua.ls Logo

Ryobi DP121L - Specific Safety Rules; Bit and Workpiece Handling; Operation and Laser Safety

Ryobi DP121L
5 pages
Print Icon
To Previous Page IconTo Previous Page
To Previous Page IconTo Previous Page
Loading...
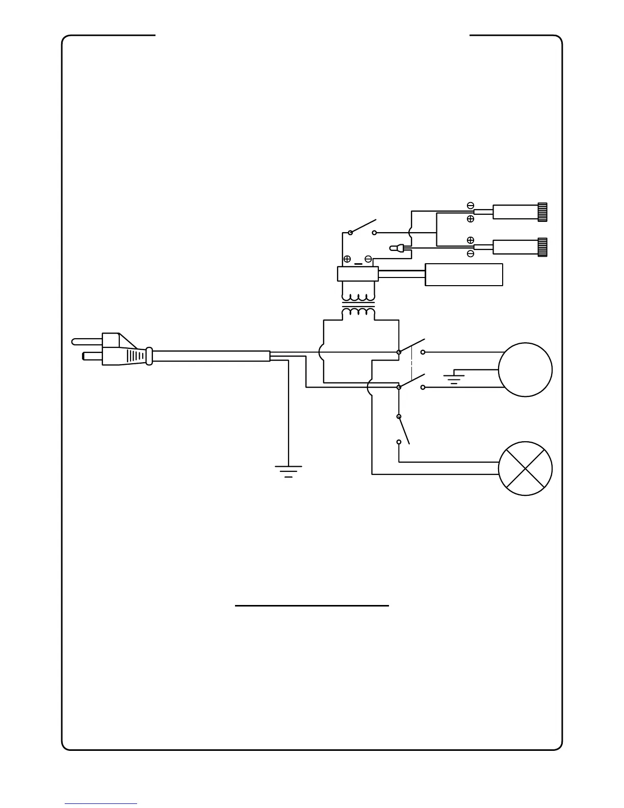
RYOBI 12 in. DRILL PRESS – MODEL NUMBER DP121L
5
M
~
WHITE WHITE
RED
RED
LASER
LASER
WHITE
WHITE
LED
PCB
3V
BLACK
BLACK
BLACK (SMOOTH)
TO CENTER
BLACK (RIDGE)TO EDGE
GREEN
GREEN
WIRING DIAGRAM

Other manuals for Ryobi DP121L

Related product manuals