EasyManua.ls Logo

Ryobi MIG-180 - Wiring Diagram

Ryobi MIG-180
32 pages
Print Icon
To Previous Page IconTo Previous Page
To Previous Page IconTo Previous Page
Loading...
31
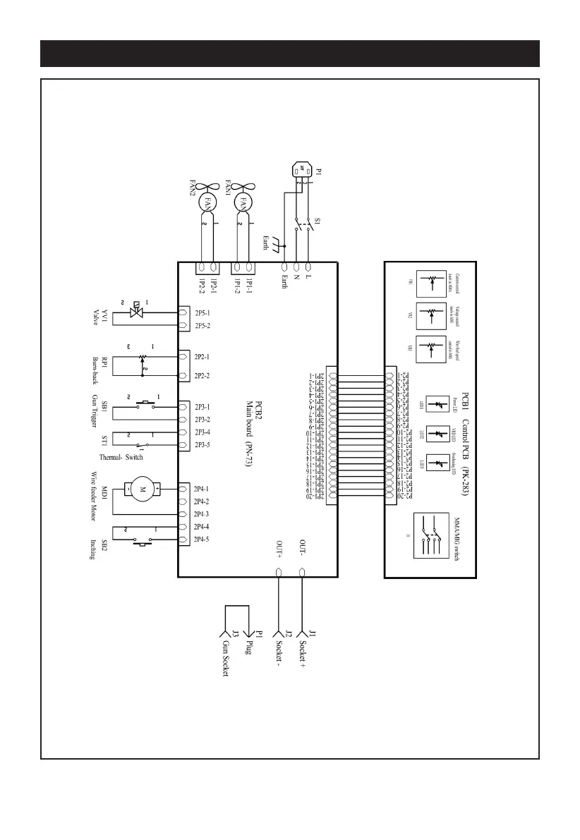
WIRING DIAGRAM