EasyManua.ls Logo

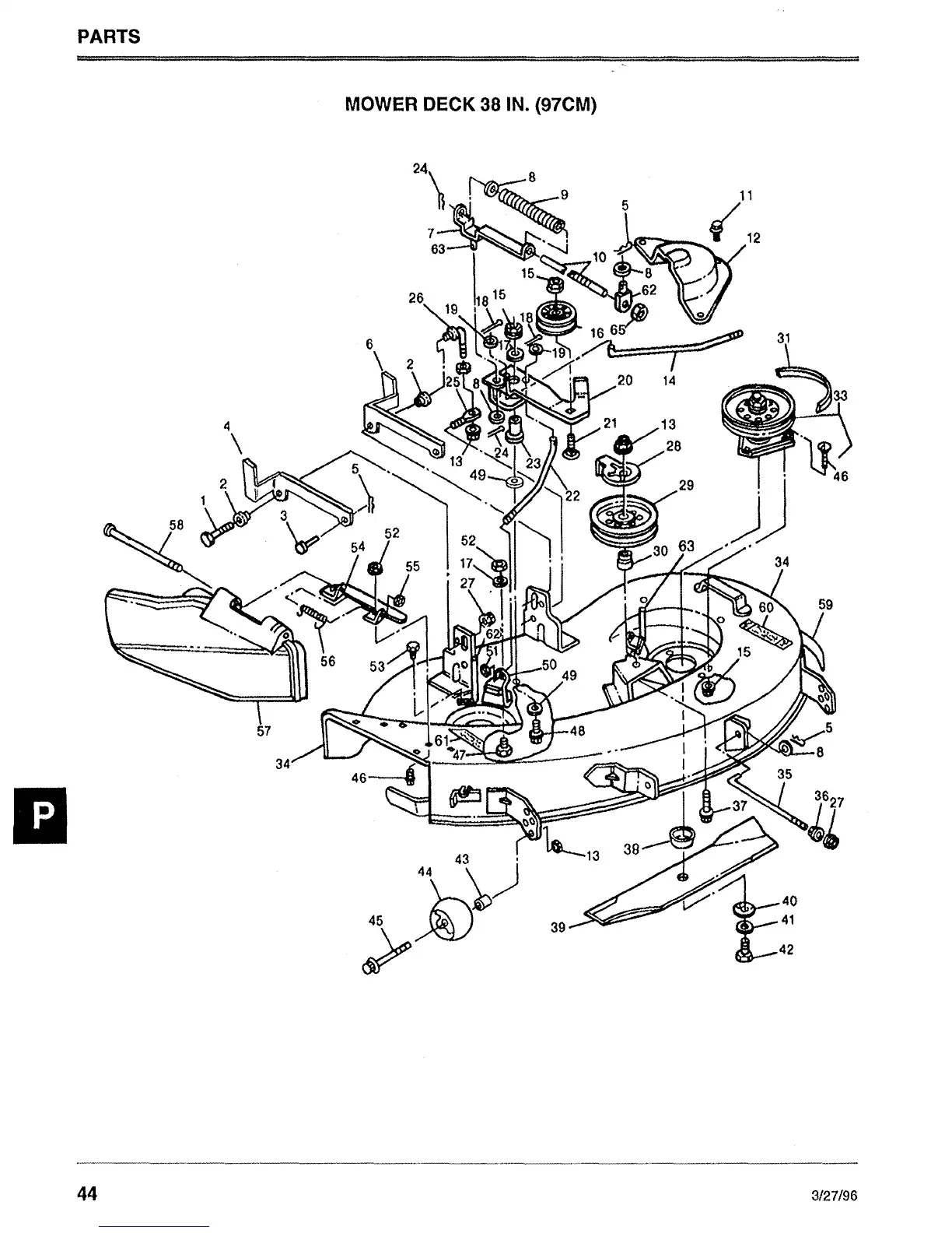
Sabre 1646 Hydro - 38-INCH MOWER DECK Exploded View

Default Icon
92 pages
Print Icon
To Next Page IconTo Next Page
To Next Page IconTo Next Page
To Previous Page IconTo Previous Page
To Previous Page IconTo Previous Page
Loading...

Table of Contents

Other manuals for Sabre 1646 Hydro

Related product manuals